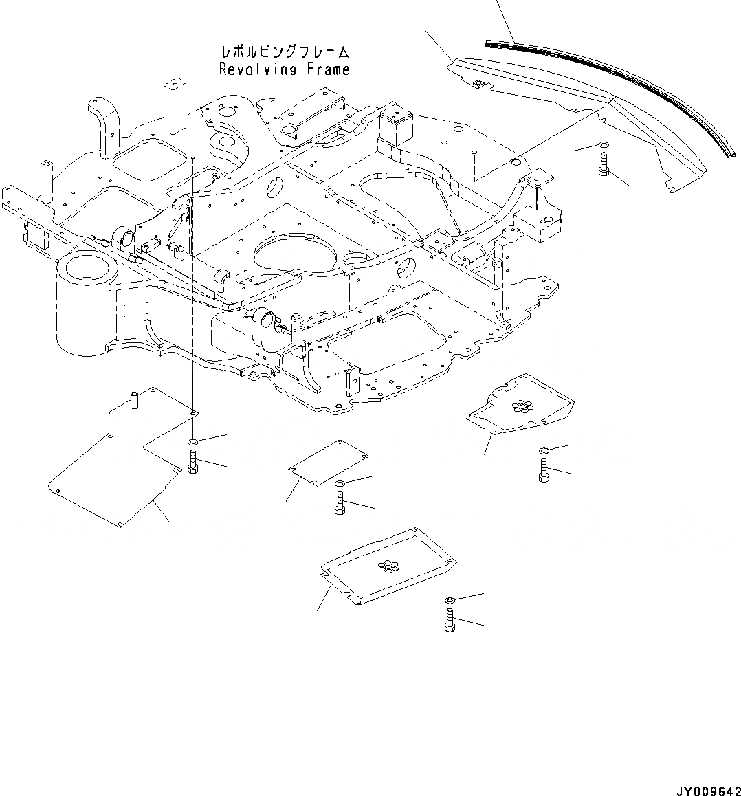
Запчасти Komatsu PC45MR-3 НИЖН. КРЫШКА (№-) НИЖН. КРЫШКА, КРОМЕ ЯПОН.

Схема запчастей Komatsu PC45MR-3 - НИЖН. КРЫШКА (№-) НИЖН. КРЫШКА, КРОМЕ ЯПОН.
4
5
6
7
8
9
1
2
3
10
11
12
13
14
16
15
FIT
1:1
100%

Артикул

Название

Примечание

Количество

1

22M-46-31141

Cover

2

01010-81020

Bolt

3

01643-31032

Washer

4

22M-46-31151

Cover

5

01010-81020

Bolt

6

01643-31032

Washer

7

22M-46-31160

Cover

8

01010-81020

Bolt

9

01643-31032

Washer

10

22M-46-31171

Cover

11

01010-81020

Bolt

12

01643-31032

Washer

12

22M-46-31601

Cover Assembly

13

22M-46-31611

Cover

14

22M-46-31620

Seal

15

01010-81020

Bolt

16

01643-31032

Washer

Выбрано товаров: 0