Качественные детали и логистика
Оригинальные и аналоговые запчасти с доставкой по России, Казахстану и Беларуси
©2022 PartSell ООО "Система" ИНН 2463123282 ОГРН 1212400004838
Центральный офис: г. Красноярск, Академика Киренского, д.87, пом.4
Телефон: 8 (800) 777-65-74 Email: zakaz@partsell.ru
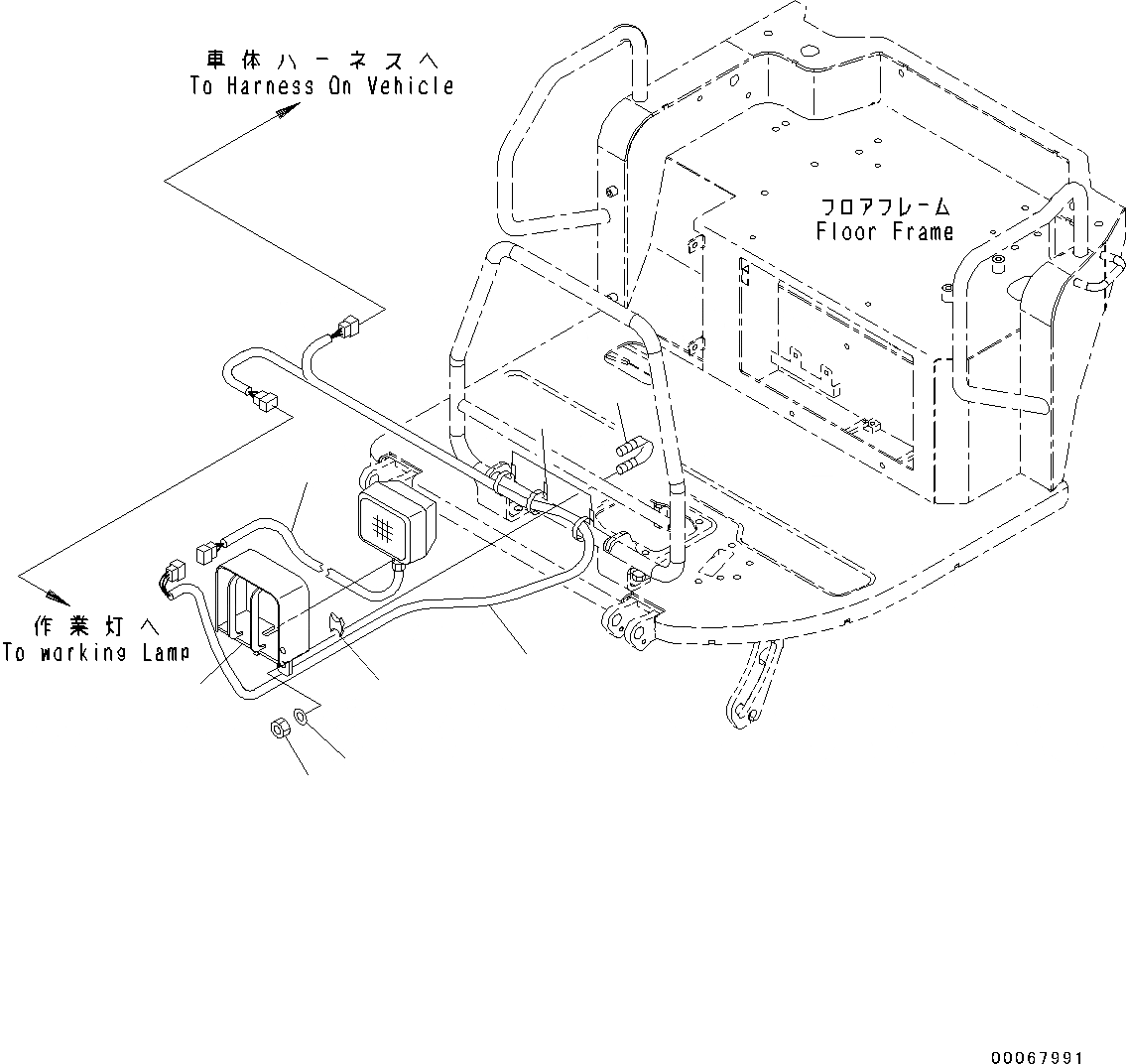
ДОПОЛН. ЛАМПА РАБОЧ. ОСВЕЩЕНИЯ (№-)
№
Артикул
Название
Примечание
Количество
1
22L-06-21560
Bracket
2
22M-06-11710
Working Lamp Assembly
104-06-41410
Bulb, 55watt
3
07283-32244
Clip
4
07283-52232
Seat
5
01597-01009
Nut
6
01643-31032
Washer
7
22M-06-24251
Wiring Harness
8
08034-40521
Band
Выбрано товаров: 0