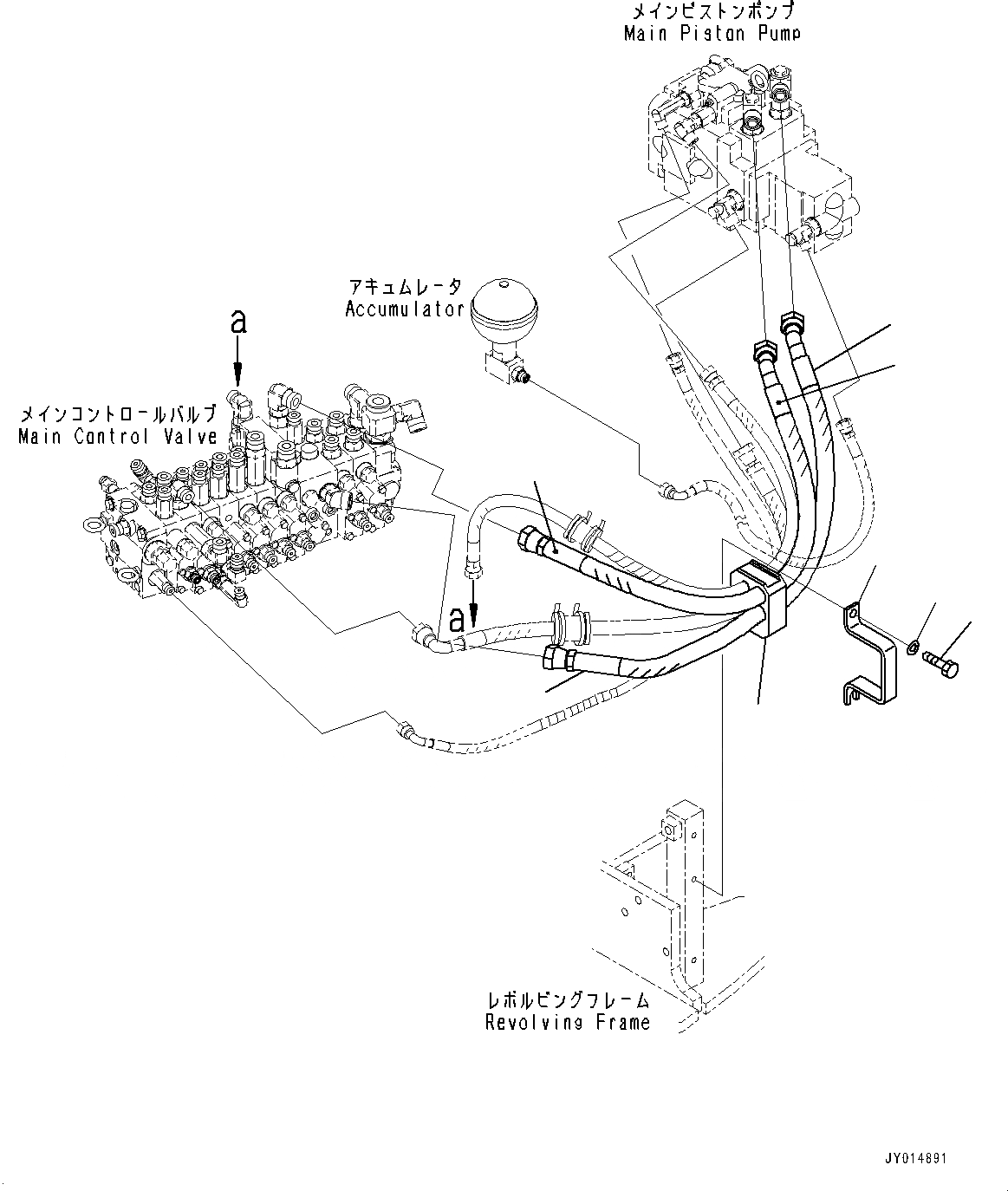
Запчасти Komatsu PC45MR-3 ПОДАЮЩ. ТРУБЫ (№-) ПОДАЮЩ. ТРУБЫ

Схема запчастей Komatsu PC45MR-3 - ПОДАЮЩ. ТРУБЫ (№-) ПОДАЮЩ. ТРУБЫ
4
5
3
6
2
1
2
1
FIT
1:1
100%

Артикул

Название

Примечание

Количество

1

22M-62-21610

Hose, Green

2

22M-62-21620

Hose

3

22M-62-31510

Plate

4

22M-62-21521

Cushion

5

01010-81030

Bolt

6

01643-31032

Washer

Выбрано товаров: 6