Качественные детали и логистика
Оригинальные и аналоговые запчасти с доставкой по России, Казахстану и Беларуси
©2022 PartSell ООО "Система" ИНН 2463123282 ОГРН 1212400004838
Центральный офис: г. Красноярск, Академика Киренского, д.87, пом.4
Телефон: 8 (800) 777-65-74 Email: zakaz@partsell.ru
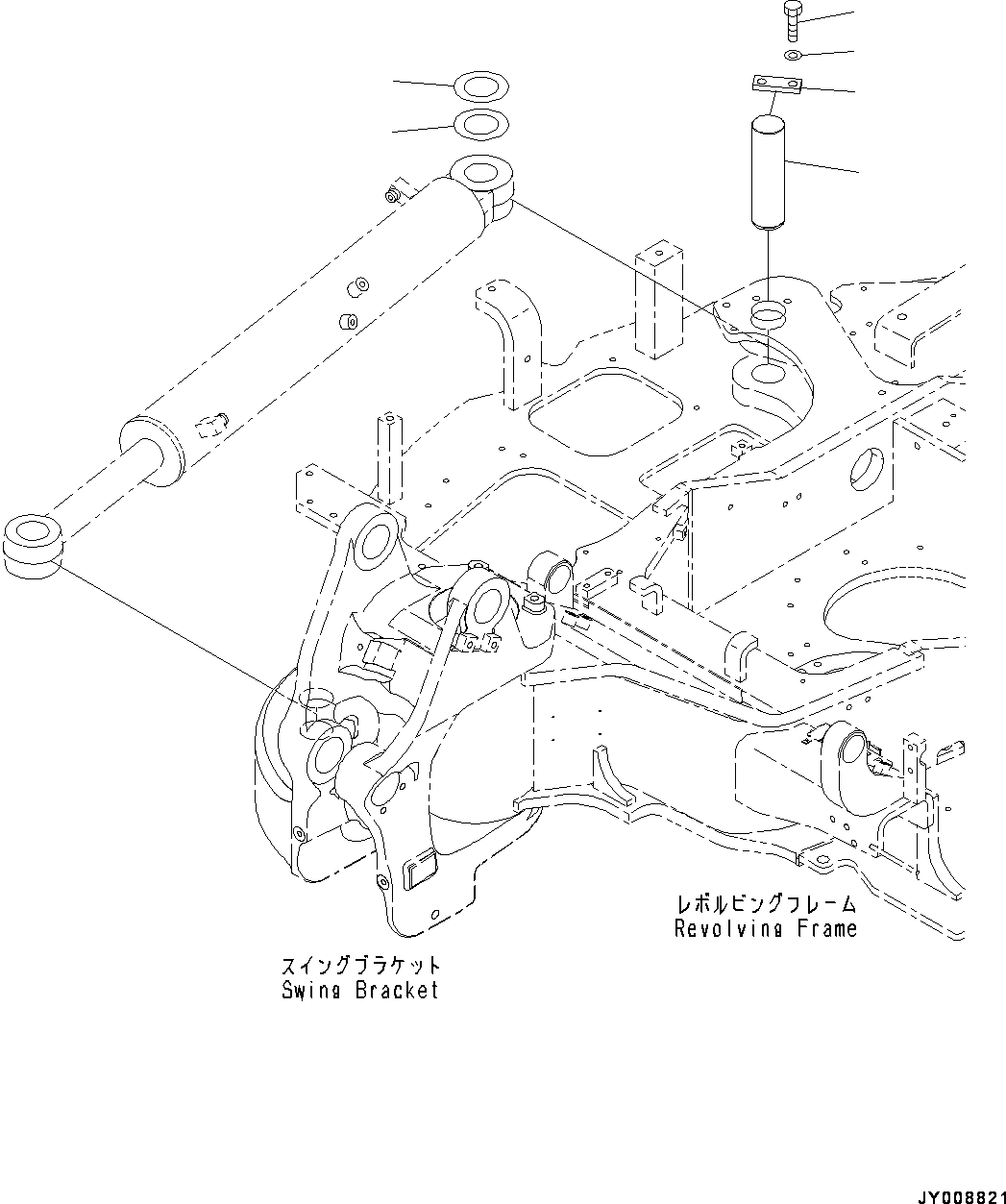
ЦИЛИНДР ПОВОРОТА СТРЕЛЫ, (/) (№-)
№
Артикул
Название
Примечание
Количество
1
22M-70-22880
Pin
2
04082-00212
Lock
3
01010-81230
Bolt
4
01643-31232
Washer
5
20T-70-81730
Spacer, T=1.0mm
6
20T-70-81760
Spacer, T=0.5mm
Выбрано товаров: 0