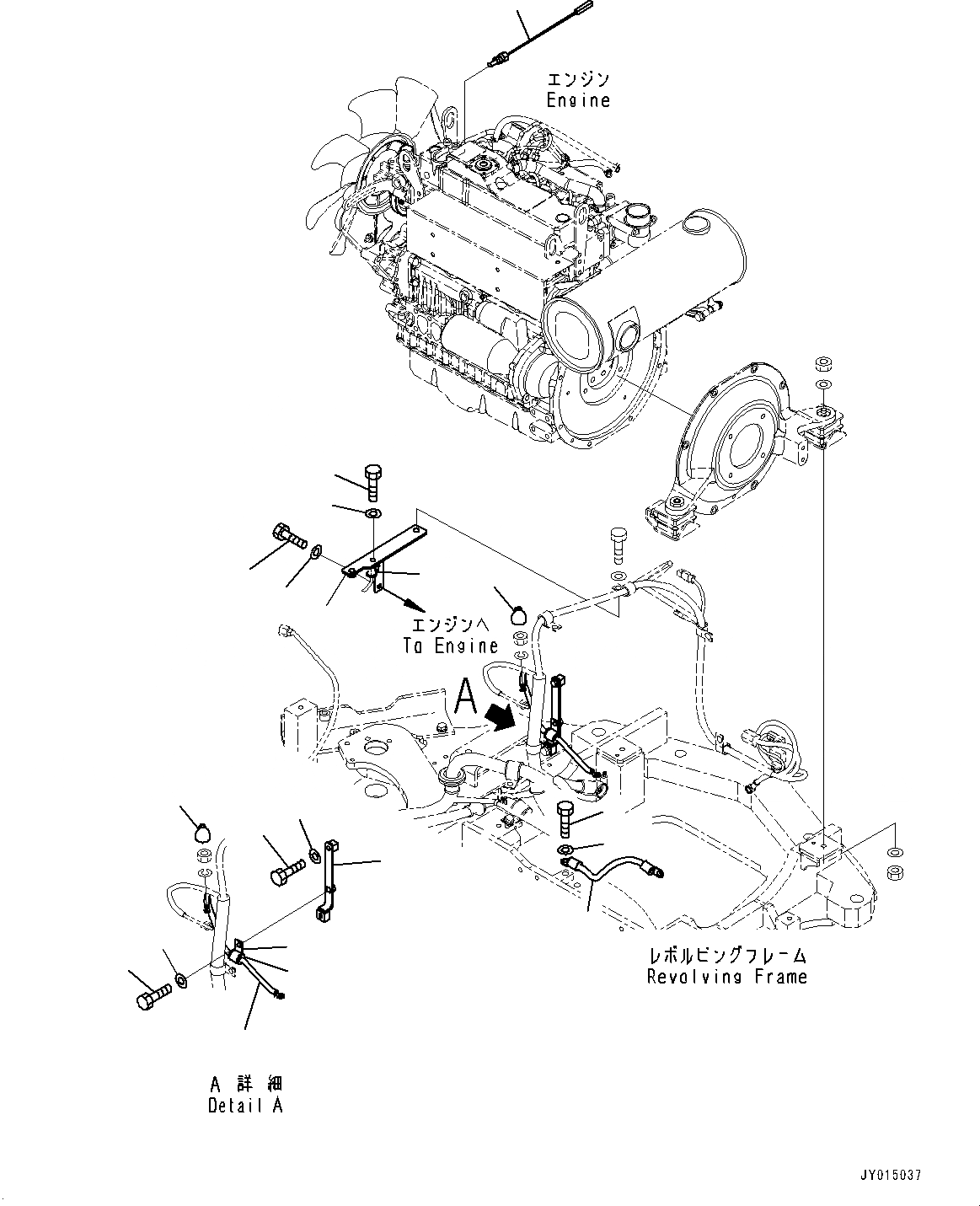
Запчасти Komatsu PC45MR-3 ДВИГАТЕЛЬ БЛОК, С КОНДИЦИОНЕРОМ, ПРОВОДКА КРЕПЛЕНИЕ (№7-) ДВИГАТЕЛЬ БЛОК, С КОНДИЦИОНЕРОМ

Схема запчастей Komatsu PC45MR-3 - ДВИГАТЕЛЬ БЛОК, С КОНДИЦИОНЕРОМ, ПРОВОДКА КРЕПЛЕНИЕ (№7-) ДВИГАТЕЛЬ БЛОК, С КОНДИЦИОНЕРОМ
2
4
3
1
15
11
13
14
12
16
18
17
1
10
8
9
6
5
7
19
FIT
1:1
100%

Артикул

Название

Примечание

Количество

1

08038-10525

Cap

2

20U-06-41250

Cable

3

01010-81020

Bolt

4

01643-31032

Washer

5

22M-06-31330

Bracket

6

01010-80825

Bolt

7

01643-30823

Washer

8

01010-80816

Bolt

9

01643-30823

Washer

10

08034-40521

Band

11

22M-06-31340

Bracket

12

01010-80835

Bolt

13

01643-30823

Washer

14

22M-06-21250

Wire

15

07095-20211

Cushion

16

04434-51610

Clip

17

01010-81020

Bolt

18

01643-31032

Washer

19

7861-93-3320

Sensor, Temperature

Выбрано товаров: 19