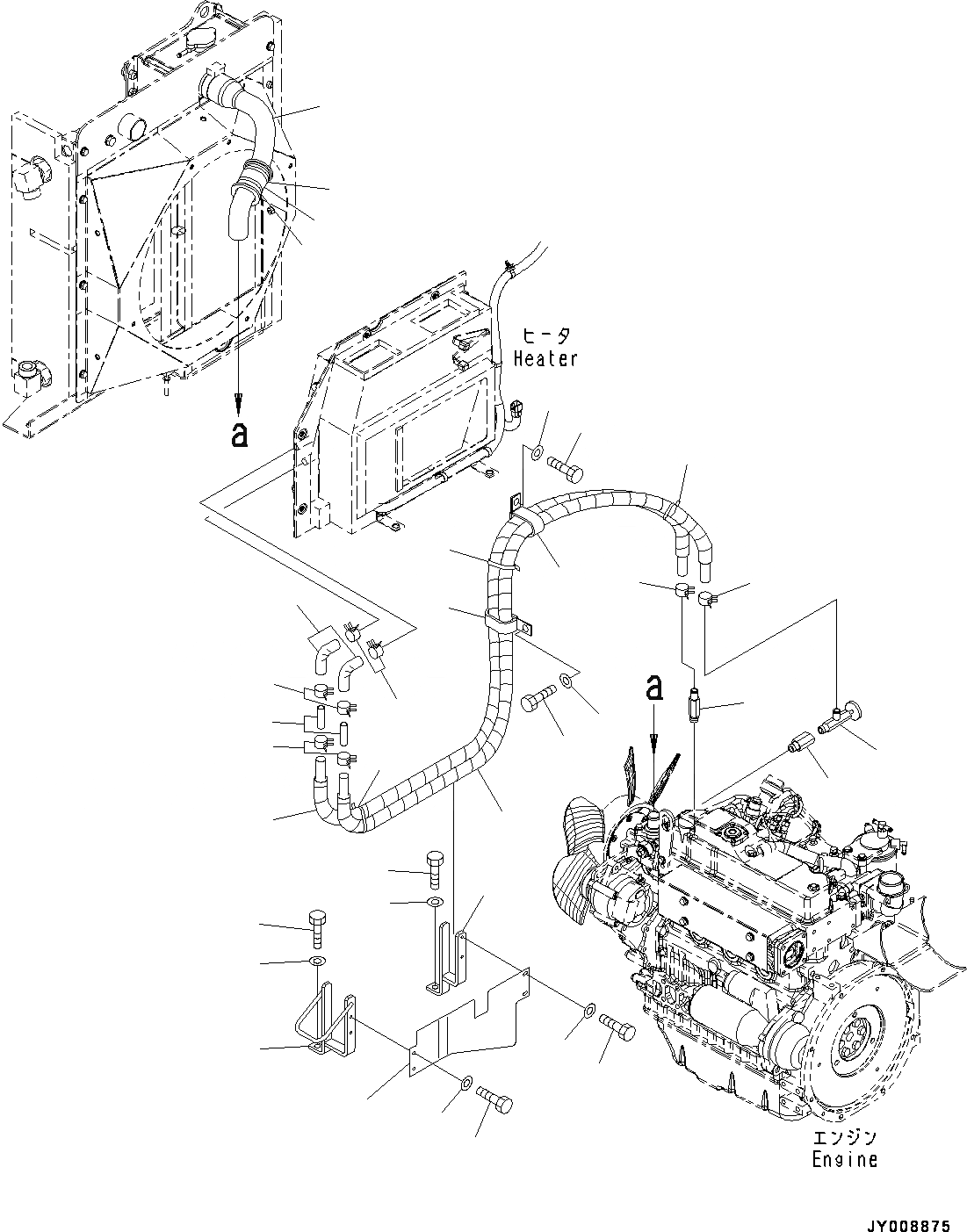
Запчасти Komatsu PC45MR-3 ПЕЧКА, С КАБИНОЙ ОБОГРЕВАТЕЛЬ., ДЛЯ КАБИНА ROPS (№-) ПЕЧКА, С КАБИНОЙ ОБОГРЕВАТЕЛЬ., ДЛЯ КАБИНА ROPS

Схема запчастей Komatsu PC45MR-3 - ПЕЧКА, С КАБИНОЙ ОБОГРЕВАТЕЛЬ., ДЛЯ КАБИНА ROPS (№-) ПЕЧКА, С КАБИНОЙ ОБОГРЕВАТЕЛЬ., ДЛЯ КАБИНА ROPS
15
25
25
23
22
21
20
19
18
17
24
24
12
11
11
13
12
14
8
10
7
9
9
4
9
5
8
6
26
16
16
1
2
3
9
9
FIT
1:1
100%

Артикул

Название

Примечание

Количество

1

09482-50000

Valve, Water

2

22M-977-2330

Nipple

3

22M-977-2312

Nipple

4

09484-00450

Connector

5

22M-979-3350

Hose

6

22M-979-3360

Hose

7

09483-30450

Hose

8

08034-20834

Band

9

11Y-09-11160

Clip

10

08034-40521

Band

11

01010-81020

Bolt

12

01643-31032

Washer

13

22M-977-1150

Clip

14

22M-977-1140

Clip

15

07095-01245

Cushion

16

08034-20823

Band

17

22M-979-3260

Bracket

18

01010-81020

Bolt

19

01643-31032

Washer

20

22M-979-3270

Bracket

21

01010-81020

Bolt

22

01643-31032

Washer

23

22M-979-3281

Plate

24

01010-80610

Bolt

25

01643-30623

Washer

26

22M-03-31440

Hose

|$26

22M-03-31440

Hose

Выбрано товаров: 27