Качественные детали и логистика
Оригинальные и аналоговые запчасти с доставкой по России, Казахстану и Беларуси
©2022 PartSell ООО "Система" ИНН 2463123282 ОГРН 1212400004838
Центральный офис: г. Красноярск, Академика Киренского, д.87, пом.4
Телефон: 8 (800) 777-65-74 Email: zakaz@partsell.ru
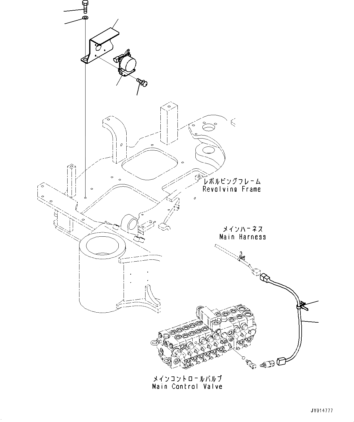
СИГНАЛ ХОДА (№-)
№
Артикул
Название
Примечание
Количество
1
22F-06-21610
Alarm
2
01023-10410
Screw
3
22M-06-31411
Bracket
4
01010-81020
Bolt
5
01643-31032
Washer
6
22M-06-31140
Wiring Harness
7
22F-06-21120
Clip
Выбрано товаров: 0