Запчасти Komatsu PC45MR-3 УПРАВЛЯЮЩ. КЛАПАН, -СЕКЦ., ОТВ. С ИЗМ. УГЛОМ DOZER, PROVISION ДЛЯ -ДОПОЛН. АКТУАТОР ТРУБЫ, ВЫСОК. ЕМК., СОЕДИНИТЕЛЬН. ЧАСТИ (/) ( УПРАВЛЯЮЩ. КЛАПАН, -СЕКЦ., ОТВ. С ИЗМ. УГЛОМ DOZER, PROVISION ДЛЯ -ДОПОЛН. АКТУАТОР ТРУБЫ, ВЫСОК. Е

Схема запчастей Komatsu PC45MR-3 - УПРАВЛЯЮЩ. КЛАПАН, -СЕКЦ., ОТВ. С ИЗМ. УГЛОМ DOZER, PROVISION ДЛЯ -ДОПОЛН. АКТУАТОР ТРУБЫ, ВЫСОК. ЕМК., СОЕДИНИТЕЛЬН. ЧАСТИ (/) ( УПРАВЛЯЮЩ. КЛАПАН, -СЕКЦ., ОТВ. С ИЗМ. УГЛОМ DOZER, PROVISION ДЛЯ -ДОПОЛН. АКТУАТОР ТРУБЫ,
14
16
11
3
2
12
1
13
10
15
16
15
14
13
12
11
10
8
9
7
3
2
1
5
6
4
17
19
18
FIT
1:1
100%

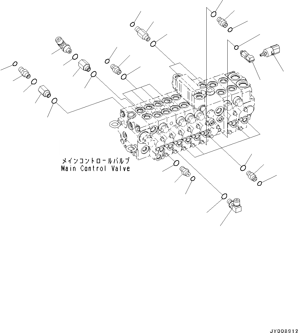
Артикул

Название

Примечание

Количество

1

02781-0021D

Union

2

02896-11008

O-ring

3

07002-11423

O-ring

4

21W-62-43930

Nipple

5

02896-11008

O-ring

6

07002-11423

O-ring

7

20U-62-41890

Nipple

8

02896-11008

O-ring

9

07002-11423

O-ring

10

20U-60-42210

Valve Assembly

10

20U-62-41870

Nipple

10

21Y-62-11590

Plug

10

20T-60-82320

Poppet

11

02896-11008

O-ring

12

07002-11423

O-ring

13

21M-62-16350

Adapter

14

07002-11423

O-ring

15

201-62-75420

Elbow, Green-Orange

16

07002-11423

O-ring

17

20U-62-43570

Elbow

18

07002-11023

O-ring

19

20Y-06-21710

Switch

Выбрано товаров: 22