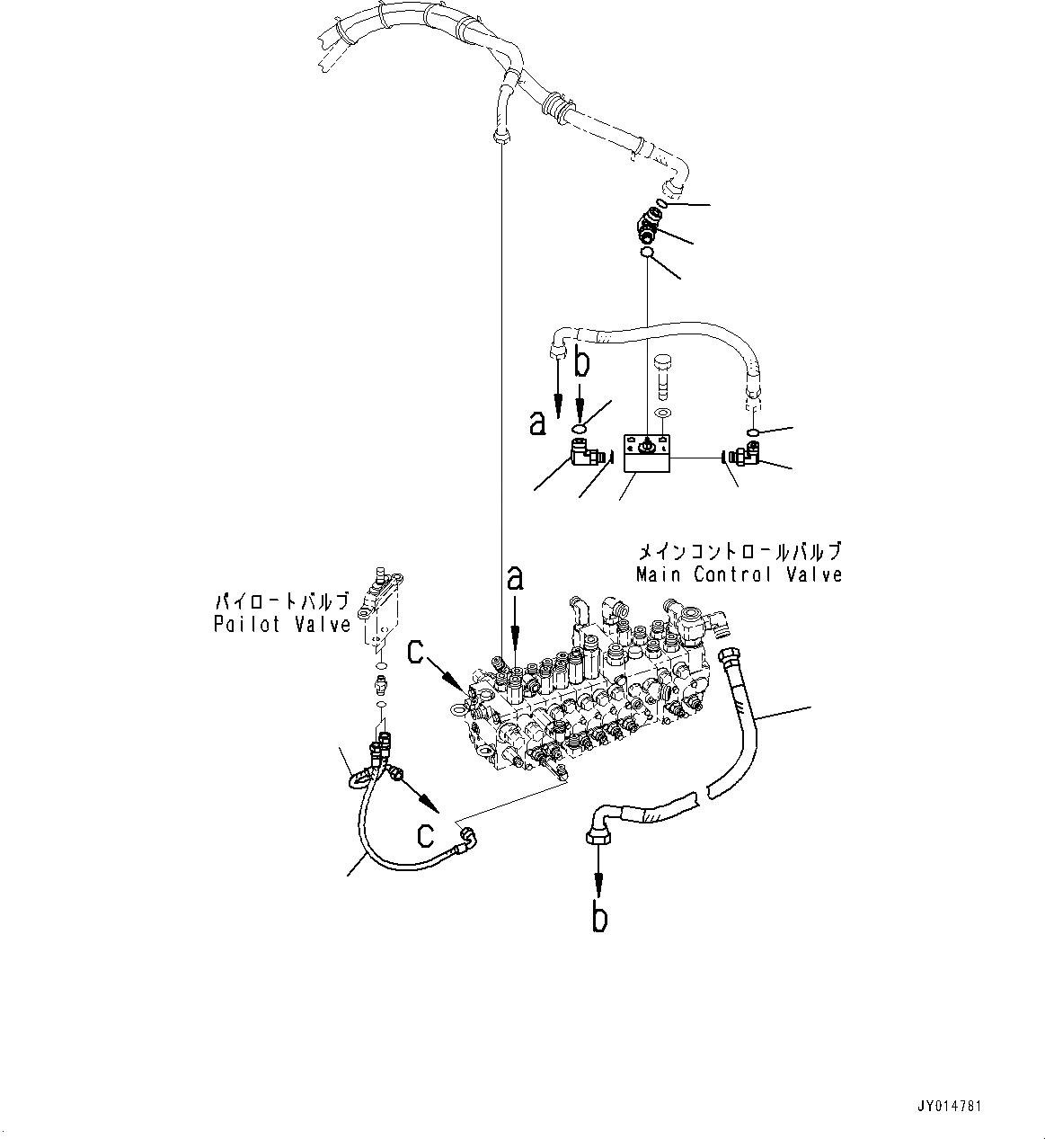
Запчасти Komatsu PC45MR-3 УПРАВЛЯЮЩ. КЛАПАН, 9-СЕКЦИОНН., PROVISION ДЛЯ -ДОПОЛН. АКТУАТОР ТРУБЫ, ВЫСОК. ЕМК., НАВЕСН. ОБОРУД ТРУБЫ (/) (№-) УПРАВЛЯЮЩ. КЛАПАН, 9-СЕКЦИОНН., PROVISION ДЛЯ -ДОПОЛН. АКТУАТОР ТРУБЫ, ВЫСОК. ЕМК.

Схема запчастей Komatsu PC45MR-3 - УПРАВЛЯЮЩ. КЛАПАН, 9-СЕКЦИОНН., PROVISION ДЛЯ -ДОПОЛН. АКТУАТОР ТРУБЫ, ВЫСОК. ЕМК., НАВЕСН. ОБОРУД ТРУБЫ (/) (№-) УПРАВЛЯЮЩ. КЛАПАН, 9-СЕКЦИОНН., PROVISION ДЛЯ -ДОПОЛН. АКТУАТОР ТРУБЫ, ВЫСОК. ЕМК.
6
7
5
8
7
5
1
10
3
4
2
9
6
FIT
1:1
100%

Артикул

Название

Примечание

Количество

1

22L-973-2110

Valve Assembly

2

02782-10420

Elbow

3

02896-11012

O-ring

4

07002-11823

O-ring

5

22M-62-21380

Elbow

6

02896-11015

O-ring

7

07002-11823

O-ring

8

22M-973-3290

Hose

9

22M-973-3350

Hose Assembly

9

22M-973-3410

Hose

10

22M-973-3340

Hose Assembly

10

22M-973-3420

Hose

10

08210-01201

Tube, Spiral

Выбрано товаров: 13