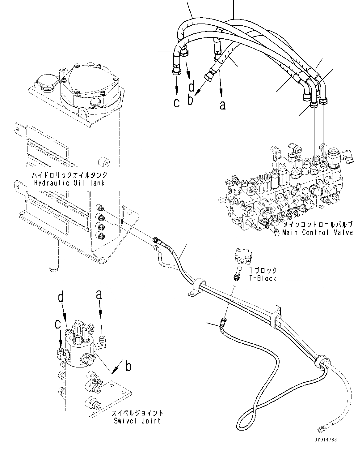
Запчасти Komatsu PC45MR-3 УПРАВЛЯЮЩ. КЛАПАН, 9-СЕКЦИОНН., PROVISION ДЛЯ -ДОПОЛН. АКТУАТОР ТРУБЫ, ВЫСОК. ЕМК., ДРЕНАЖН. ТРУБЫ (№-) УПРАВЛЯЮЩ. КЛАПАН, 9-СЕКЦИОНН., PROVISION ДЛЯ -ДОПОЛН. АКТУАТОР ТРУБЫ, ВЫСОК. ЕМК.

Схема запчастей Komatsu PC45MR-3 - УПРАВЛЯЮЩ. КЛАПАН, 9-СЕКЦИОНН., PROVISION ДЛЯ -ДОПОЛН. АКТУАТОР ТРУБЫ, ВЫСОК. ЕМК., ДРЕНАЖН. ТРУБЫ (№-) УПРАВЛЯЮЩ. КЛАПАН, 9-СЕКЦИОНН., PROVISION ДЛЯ -ДОПОЛН. АКТУАТОР ТРУБЫ, ВЫСОК. ЕМК.
4
3
2
4
5
3
2
5
1
1
FIT
1:1
100%

Артикул

Название

Примечание

Количество

1

22M-62-31830

Hose

2

22M-62-21760

Hose

3

02766-00406

Hose, Face Seal Type

4

22M-62-21780

Hose

5

02766-004A7

Hose, Face Seal Type

Выбрано товаров: 5