Запчасти Komatsu PC45MR-3 ОСНОВНАЯ РАМА, ОТВ. С ИЗМ. УГЛОМ DOZER (№-) ОСНОВНАЯ РАМА, ОТВ. С ИЗМ. УГЛОМ DOZER

Схема запчастей Komatsu PC45MR-3 - ОСНОВНАЯ РАМА, ОТВ. С ИЗМ. УГЛОМ DOZER (№-) ОСНОВНАЯ РАМА, ОТВ. С ИЗМ. УГЛОМ DOZER
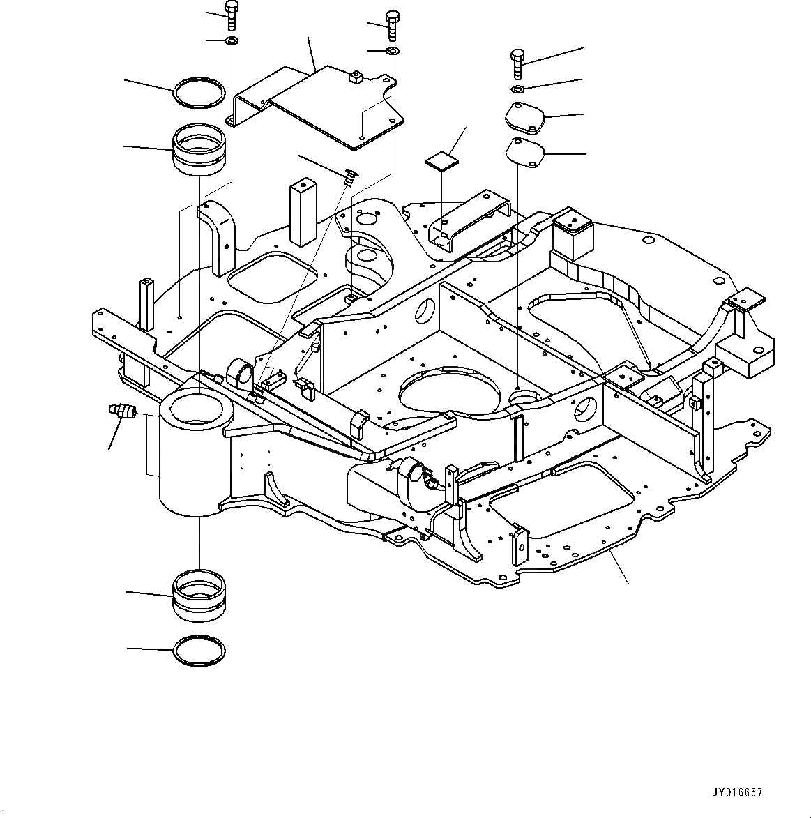
1
10
3
2
2
3
11
12
11
12
8
7
6
5
4
9
13
FIT
1:1
100%

Артикул

Название

Примечание

Количество

1

22N-46-31300

Frame Assembly

2

22M-70-31531

Bushing

3

07145-00120

Seal, Dust

4

07020-00000

Fitting, Grease

5

203-46-56160

Cover

6

203-46-61520

Gasket

7

01010-81230

Bolt

8

01643-31232

Washer

9

22M-46-22210

Sheet

10

22M-46-31121

Plate

11

01010-81025

Bolt

12

01643-31032

Washer

13

21U-70-31390

Cap

Выбрано товаров: 13