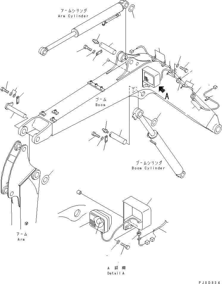
Запчасти Komatsu PC45MRX-1 СТРЕЛА (РАБОЧ. ОСВЕЩЕНИЕ И ПАЛЕЦ) (КРОМЕ ЯПОН.)(№-) РАБОЧЕЕ ОБОРУДОВАНИЕ

Схема запчастей Komatsu PC45MRX-1 - СТРЕЛА (РАБОЧ. ОСВЕЩЕНИЕ И ПАЛЕЦ) (КРОМЕ ЯПОН.)(№-) РАБОЧЕЕ ОБОРУДОВАНИЕ
1
1
2
3
4
5
6
6
7
7
7
8
9
10
11
11A
11A
11A
12
13
14
15
16
17
18
19
20
21
22
23
24
25
26
27
28
FIT
1:1
100%

Артикул

Название

Примечание

Количество

1

22M-06-11710

WORK LAMP ASS'Y

2

104-06-41410

BULB, 55W

3

22M-06-11321

BRACKET

4

01010-81020

BOLT

5

01643-31032

WASHER

6

22M-06-11134

WIRE ASS'Y

6

22M-06-11133

WIRE ASS'Y

7

08036-01014

CLIP

8

01010-81016

BOLT

9

01643-31032

WASHER

10

144-874-6970

CLIP

11

21U-70-31390

CAP

11A

08034-30521

BAND

12

20T-70-71220

PIN

13

20R-70-11250

PLATE

14

01010-81230

BOLT

15

01643-31232

WASHER

16

20T-70-81750

SPACER, 0.5MM

17

20T-70-71170

PIN

18

07020-00000

FITTING

19

04082-00212

LOCK

20

01010-81230

BOLT

21

01643-31232

WASHER

22

20T-70-81730

SPACER, 1.0MM

23

20T-70-71180

PIN

24

07020-00000

FITTING

25

04082-00212

LOCK

26

01010-81230

BOLT

27

01643-31232

WASHER

28

20T-70-81710

SPACER, 1.0MM

Выбрано товаров: 0