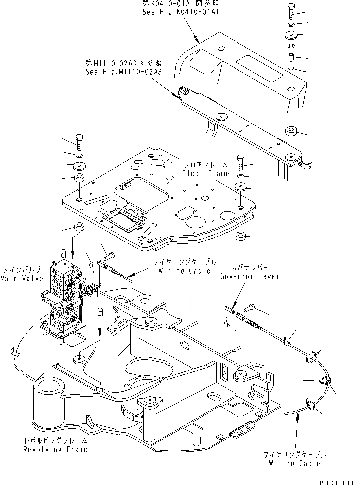
Запчасти Komatsu PC45MRX-1 КРЕПЛЕНИЕ ПОЛА (КРЕПЛЕНИЕ ЧАСТИ) (ДЛЯ TOPS НАВЕС) КАБИНА ОПЕРАТОРА И СИСТЕМА УПРАВЛЕНИЯ

Схема запчастей Komatsu PC45MRX-1 - КРЕПЛЕНИЕ ПОЛА (КРЕПЛЕНИЕ ЧАСТИ) (ДЛЯ TOPS НАВЕС) КАБИНА ОПЕРАТОРА И СИСТЕМА УПРАВЛЕНИЯ
1
1
1
2
3
3
3
4
5
6
7
7
8
9
10
11
12
13
14
15
16
17
18
19
20
FIT
1:1
100%

Артикул

Название

Примечание

Количество

1

20T-54-71240

PLATE

2

203-54-21110

CUSHION

3

20T-54-71390

SPACER

4

07000-03025

O-RING

5

01010-81675

BOLT

6

01010-81695

BOLT

7

01643-31645

WASHER

8

22M-54-15360

COLLAR

9

21E-47-11331

CUSHION

10

01010-71665

BOLT

11

01643-11645

WASHER

12

20T-43-81330

PIN

13

04052-10833

PIN

14

21U-43-26151

PIN

15

04052-10833

PIN

16

07095-20213

CUSHION

17

08034-00519

BAND

18

08034-30521

BAND

19

08034-20834

BAND

20

04434-51010

CLIP

Выбрано товаров: 20