Запчасти Komatsu PC45R-8 PAT ЛИНИЯ (НИЖН.) НИЖНЯЯ ГИДРОЛИНИЯ И ЛИНИЯ ХОДА

Схема запчастей Komatsu PC45R-8 - PAT ЛИНИЯ (НИЖН.) НИЖНЯЯ ГИДРОЛИНИЯ И ЛИНИЯ ХОДА
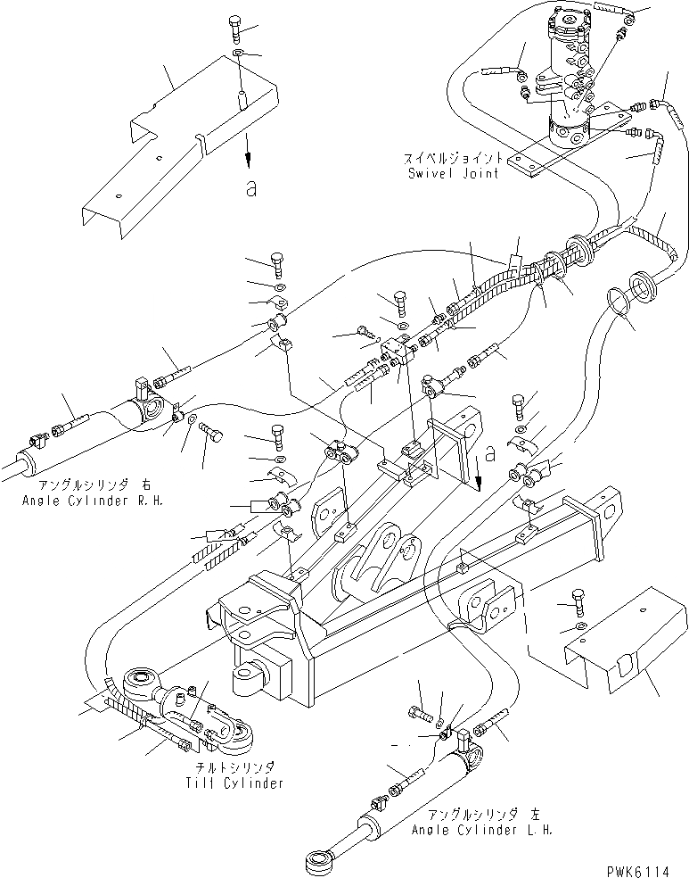
1
1
1A
2
2
3
3
3A
4
4
4
5
5
6
6
6
7
7
8
8
9
10
11
12
13
14
14
15
16
17
18
19
20
21
21
22
22
23
23
23
23
24
24
25
25
26
26
27
27
28
28
29
30
30
30
30
30
31
32
33
34
35
FIT
1:1
100%

Артикул

Название

Примечание

Количество

1

20T-910-8780

HOSE

1

20T-910-8210

HOSE

1A

20T-910-8770

HOSE

2

20S-62-81570

HOSE

2

20R-870-1230

HOSE

3

20T-910-8340

HOSE

3A

08210-01803

SPIRAL TUBE

4

07094-20315

CLAMP

5

07095-00317

CUSHION

6

07094-10315

CLAMP

7

01010-81260

BOLT

8

01643-31232

WASHER

9

20T-910-8330

COVER

10

01010-81275

BOLT

11

01010-81020

BOLT

12

01643-31232

WASHER

13

01643-31032

WASHER

14

07094-20315

CLAMP

15

07095-00317

CUSHION

16

01010-81260

BOLT

17

01643-31232

WASHER

18

20T-910-8320

COVER

19

01010-81275

BOLT

20

01643-31232

WASHER

21

20S-62-81560

HOSE

22

23S-62-25272

HOSE, 2080MM

23

20T-62-83440

HOSE

24

07095-20318

CUSHION

25

04434-52511

CLIP

26

01010-81020

BOLT

27

01643-31032

WASHER

28

08034-20536

BAND

29

203-62-32450

COVER

29

08210-01807

SPIRAL TUBE

30

08034-20823

BAND

31

20T-910-8310

BLOCK

32

104-62-34230

COCK

33

07000-22012

O-RING

34

08210-01803

SPIRAL TUBE

35

203-62-51710

NIPPLE

Выбрано товаров: 40