Запчасти Komatsu PC45R-8 ОСНОВН. НАСОС (/) ОСНОВН. КОМПОНЕНТЫ И РЕМКОМПЛЕКТЫ

Схема запчастей Komatsu PC45R-8 - ОСНОВН. НАСОС (/) ОСНОВН. КОМПОНЕНТЫ И РЕМКОМПЛЕКТЫ
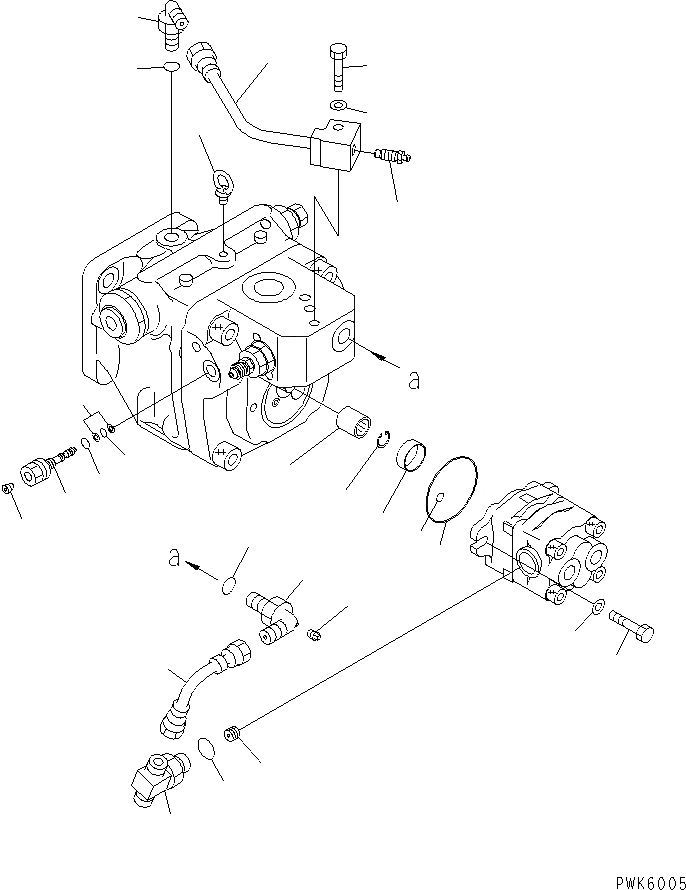
1
2
3
4
5
6
7
8
9
10
11
12
13
14
15
16
17
18
19
20
21
22
23
24
25
26
FIT
1:1
100%

Артикул

Название

Примечание

Количество

|$2

708-1T-00132

PUMP ASS'Y

|$3

708-1T-00131

PUMP ASS'Y

1

708-1T-19210

COUPLING

2

700-30-63140

RING,SNAP

3

708-1T-19230

RING

4

07000-11006

O-RING

5

07000-02060

O-RING

6

01010-80820

BOLT

7

01643-30823

WASHER

8

708-1T-19140

TEE

9

708-1T-19313

ORIFICE

10

07002-11823

O-RING

11

07235-50210

ELBOW

12

07002-11423

O-RING

13

07042-20108

PLUG

14

708-1T-19440

TUBE

15

708-1T-15952

PLUG

16

706-86-51180

PLUG

17

07002-11023

O-RING

18

07000-11004

O-RING

19

07001-01004

RING

20

04530-11018

BOLT

21

708-1T-19610

TUBE

22

20B-27-11210

BLEEDER

23

07235-10210

ELBOW

24

07002-11423

O-RING

25

01010-80845

BOLT

26

01643-30823

WASHER

Выбрано товаров: 28