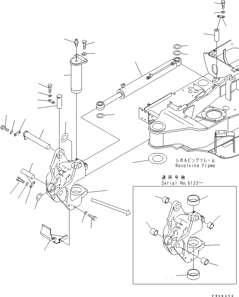
Запчасти Komatsu PC45R-8 КОРПУС ПОВОРОТА СТРЕЛЫ И ПАЛЕЦ ОСНОВНАЯ РАМА И ЕЕ ЧАСТИ

Схема запчастей Komatsu PC45R-8 - КОРПУС ПОВОРОТА СТРЕЛЫ И ПАЛЕЦ ОСНОВНАЯ РАМА И ЕЕ ЧАСТИ
1
1
1A
1A
1B
1B
1C
1C
2
3
4
5
6
7
8
9
10
11
12
13
14
15
16
17
18
19
20
21
22
23
24
25
26
27
28
29
30
31
FIT
1:1
100%

Артикул

Название

Примечание

Количество

1

20T-70-81610

BRACKET

1

20T-70-81511

BRACKET

1A

20T-70-81620

BUSHING

1B

20T-70-81630

BUSHING

1C

20T-70-81640

BUSHING

2

20T-70-81541

PIN

3

07020-00000

FITTING,GREASE

4

01010-81430

BOLT

5

21T-09-11330

WASHER

6

20T-70-81740

SPACER, 0.5MM

6

421-70-11330

SPACER, 0.5MM

7

20T-70-71571

PIN

8

04082-00212

LOCK

9

01010-81230

BOLT

10

01643-31232

WASHER

11

20T-70-81730

SPACER, 1.0MM

11

201-70-23140

SPACER, 1.0MM

12

20T-70-71150

PIN

13

20R-70-11250

PLATE

14

01010-81230

BOLT

15

01643-31232

WASHER

16

20T-70-81750

SPACER, 0.5MM

16

424-46-12540

SHIM, 0.5MM

17

20T-70-71160

PIN

18

20T-70-81650

LOCK

18

04082-00212

LOCK

19

01010-81230

BOLT

20

01643-31232

WASHER

21

20T-70-81730

SPACER, 1.0MM

21

201-70-23140

SPACER, 1.0MM

22

20T-62-82222

COVER

22

20T-62-82221

COVER

23

01010-81025

BOLT

24

01643-31232

WASHER

25

20T-63-X2533

CYLINDER GROUP,BOOM SWING(SEE FIG.Y1620-02A0)

25

20T-63-X2532

CYLINDER GROUP,BOOM SWING(SEE FIG.Y1620-02A0)

26

09241-5A145

PIN

27

04082-00212

LOCK

28

01010-81230

BOLT

29

01643-31232

WASHER

30

20T-70-81730

SPACER, 1.0MM

30

201-70-23140

SPACER, 1.0MM

31

20T-70-81760

SPACER, 0.5MM

31

20T-70-71530

SPACER, 0.5MM

Выбрано товаров: 44