Запчасти Komatsu PC45R-8 ОСНОВН. КОНСТРУКЦИЯ (УПРАВЛ-Е ЛЕВ.) (ДЛЯ США) КАБИНА ОПЕРАТОРА И СИСТЕМА УПРАВЛЕНИЯ

Схема запчастей Komatsu PC45R-8 - ОСНОВН. КОНСТРУКЦИЯ (УПРАВЛ-Е ЛЕВ.) (ДЛЯ США) КАБИНА ОПЕРАТОРА И СИСТЕМА УПРАВЛЕНИЯ
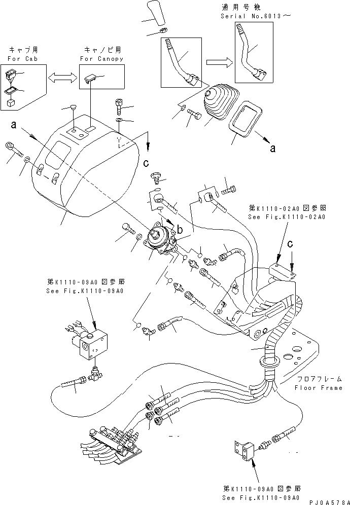
1
1
2
3
4
5
6
7
8
9
10
11
12
13
14
15
15
16
16
17
17
17
17
18
18
19
19
20
20
21
21
22
22
23
23
24
25
26
27
28
29
30
31
32
33
FIT
1:1
100%

Артикул

Название

Примечание

Количество

1

20T-43-81160

LEVER,L.H.

1

20U-43-21311

LEVER,L.H.

2

20T-43-71110

KNOB

3

20T-43-71190

NUT

4

01010-81030

BOLT

5

01643-31032

WASHER

6

20T-43-71161

BOOT

6

20T-43-71160

BOOT

7

20T-43-71361

PLATE

7

20T-43-71360

PLATE

8

702-16-01181

PILOT VALVE,(SEE FIG.Y1670-11A0)

8

702-16-01180

PILOT VALVE,(SEE FIG.Y1670-11A0)

9

01010-80820

BOLT

10

01643-30823

WASHER

11

702-16-53240

PLUG

12

07000-02018

O-RING

13

203-62-57730

BOLT

14

07000-02018

O-RING

15

07230-20210

UNION

16

07236-10210

ELBOW

17

07002-01423

O-RING

18

20T-62-83220

HOSE, 1600MM

19

20T-62-83230

HOSE, 800MM

20

20T-62-83260

HOSE, 850MM

21

20T-62-83270

HOSE, 800MM

22

20T-62-83260

HOSE, 850MM

23

20T-62-83260

HOSE, 850MM

24

203-62-32440

COVER

25

20T-54-81310

CONSOLE BOX

26

20T-54-71570

BOLT

27

01643-70823

WASHER

28

20T-54-71550

BOLT

29

01643-70823

WASHER

30

20T-54-81820

CAP

30

7824-84-2820

CAP

31

20T-54-71340

COVER,(FOR CANOPY)

32

20T-06-71410

SWITCH,WIPER (FOR CAB)

33

20T-54-74940

SPACER,(FOR CAB)

Выбрано товаров: 38