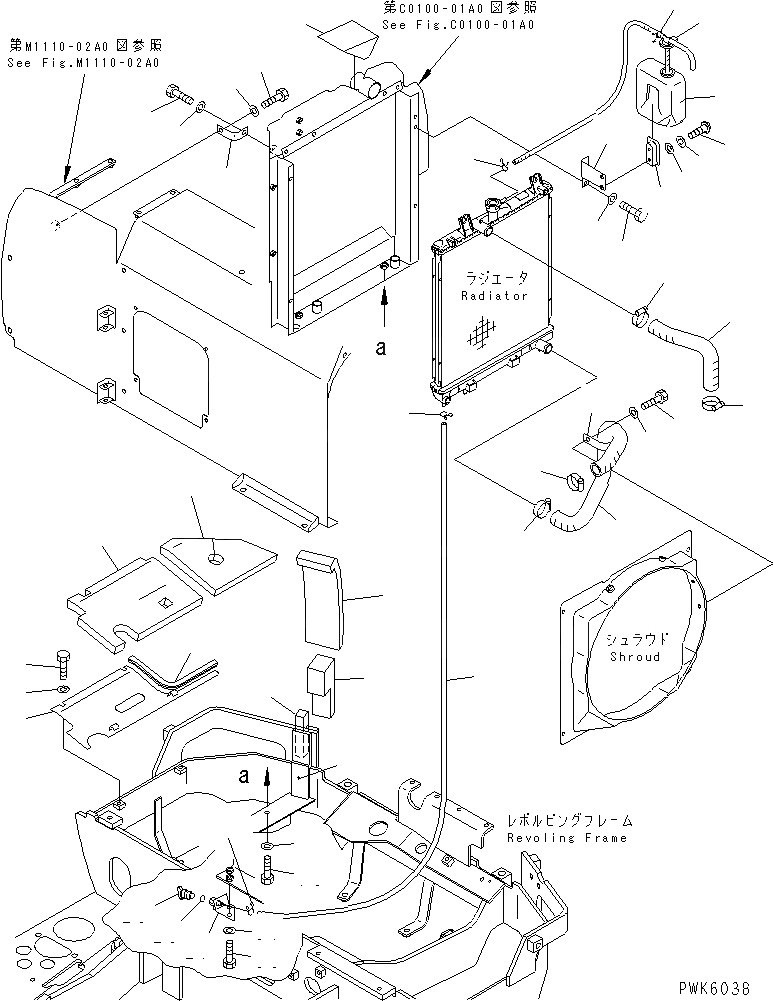
Запчасти Komatsu PC45R-8 ОХЛАЖД-Е (ТРУБЫ И КРЕПЛЕНИЕ)(№-89) СИСТЕМА ОХЛАЖДЕНИЯ

Схема запчастей Komatsu PC45R-8 - ОХЛАЖД-Е (ТРУБЫ И КРЕПЛЕНИЕ)(№-89) СИСТЕМА ОХЛАЖДЕНИЯ
1
2
2
3
4
4
5
6
7
8
9
10
10
11
12
13
14
15
16
17
18
19
20
21
21
22
22
23
24
25
26
26A
27
28
29
30
31
32
32A
32A
33
34
35
36
37
38
FIT
1:1
100%

Артикул

Название

Примечание

Количество

1

22M-03-11310

HOSE

|1

20T-03-81310

HOSE,UPPER

2

207-09-11110

CLAMP

3

20T-03-81321

HOSE,LOWER

4

207-09-11110

CLAMP

5

196-916-1590

CLIP

6

01010-80812

BOLT

7

01643-30823

WASHER

8

20T-03-81360

TANK,RESERVE

9

20T-03-81370

CONDUCTION ASS'Y

10

20T-03-71450

CLAMP

11

20T-03-71420

BRACKET

12

01220-40616

SCREW

13

01602-20619

WASHER,SPRING

14

01643-30623

WASHER

15

20T-03-81341

BRACKET

|15

20T-03-81490

BRACKET,(FOR AIR CON)

16

01010-80820

BOLT

17

01643-30823

WASHER

18

01010-81020

BOLT

19

01643-31032

WASHER

20

20T-03-81290

BRACKET

21

01010-81020

BOLT

22

01643-31032

WASHER

23

20T-54-82371

SHEET

|23

20T-54-82370

SHEET

24

20T-46-82161

SHEET

|24

20T-46-82160

SHEET

25

20T-46-82171

SHEET

|25

20T-46-82170

SHEET

26

20T-46-82210

SHEET

26A

20T-46-82440

SHEET

27

21X-03-21380

COCK

28

205-03-62660

PLUG

29

07000-01007

O-RING

30

01010-81020

BOLT

31

01643-31032

WASHER

32

20T-03-81350

TUBE

32A

206-03-43340

CLIP

33

20T-46-81641

COVER

|33

20T-46-81640

COVER

34

20T-46-81652

SHEET

|34

20T-46-81651

SHEET

35

01010-81020

BOLT

36

01643-31032

WASHER

37

20T-46-81680

SEAL

38

20T-46-81670

SHEET

Выбрано товаров: 47