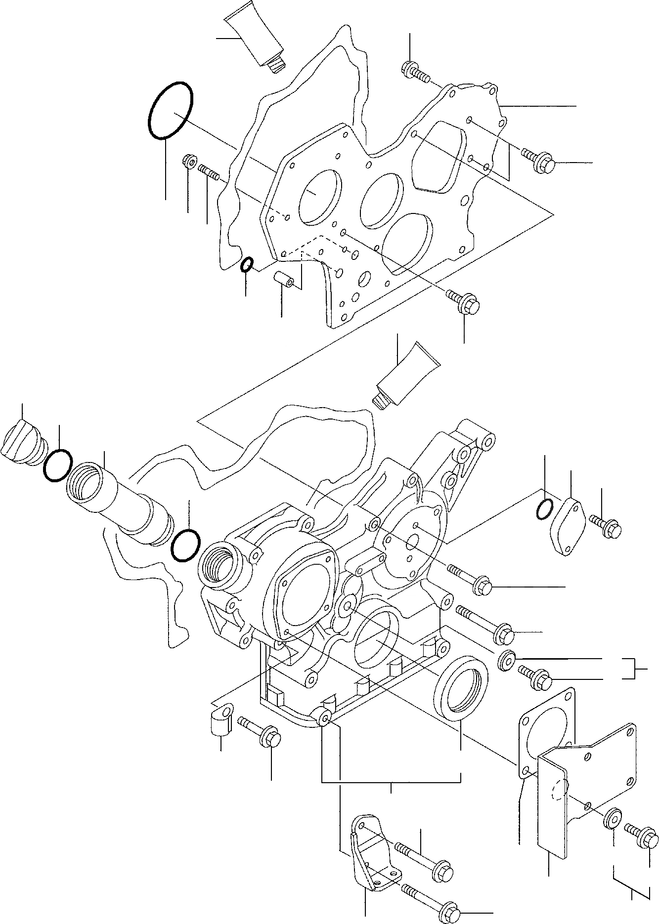
Запчасти Komatsu PC45R-8 КОЖУХ ШЕСТЕРЕН. ПЕРЕДАЧИ ДВИГАТЕЛЬ

Схема запчастей Komatsu PC45R-8 - КОЖУХ ШЕСТЕРЕН. ПЕРЕДАЧИ ДВИГАТЕЛЬ
20
34
4
23
14
24
5
15
34
9
25
6
16
32
27
26
28
33
22
23
12
11
13
10
3
21
1
31
19
8
18
7
17
30
29
FIT
1:1
100%

Артикул

Название

Примечание

Количество

\0

871070047

ENGINE, ASSY.

1

YM719810-01500

HOUSING ASSY., GEAR

3

YM129795-01800

SEAL, OIL

4

YM129400-01520

FLANGE, GEAR HOUSING

5

YM121450-01560

STUD

6

YM124160-01751

PLUG

7

YM129612-55660

COVER

8

YM124240-01883

GASKET

9

YM129795-01950

PIPE

10

YM129150-03100

RETAINER

11

YM124550-01590

BOLT

12

YM22190-680003

GASKET

13

YM26106-080162

BOLT

14

YM121850-51960

O-RING

15

YM24311-000160

O-RING

16

YM24311-000320

O-RING

17

YM124550-01590

BOLT, ASSY.

18

YM26106-080162

BOLT

19

YM22190-080003

GASKET

20

YM26106-080202

BOLT

21

YM26106-080452

BOLT

22

YM26106-080552

BOLT

23

YM129001-91841

SCREW

24

YM26366-080002

NUT

25

YM26106-080162

BOLT

26

YM121023-01550

COVER

27

YM24341-000240

O-RING

28

YM26106-060162

BOLT PLATED

29

YM129612-13551

SUPPORT

30

YM26106-080902

BOLT

31

YM26106-080952

SCREW

32

YM171031-11741

PIPE

33

YM24311-000320

O-RING

34

YM977770-01212

GASKET, LIQUID

Выбрано товаров: 0