Запчасти Komatsu PC45R-8 ТОПЛИВН. ЛИНИЯ ДВИГАТЕЛЬ

Схема запчастей Komatsu PC45R-8 - ТОПЛИВН. ЛИНИЯ ДВИГАТЕЛЬ
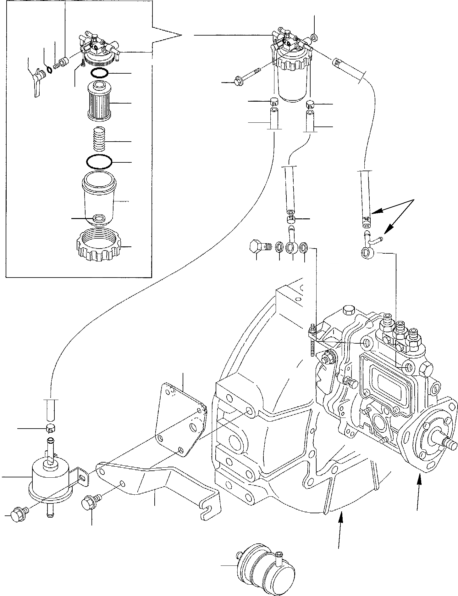
18
26
21
26
7
6
4
A
B
C
16
11
15
19
14
22
10
23
25
24
8
17
9
13
23
12
20
2
22
1
3
5
27
FIT
1:1
100%

Артикул

Название

Примечание

Количество

\0

871070024

MOTOR, ASSY.

1

YM129612-52100

FUEL FEED PUMP, ASSY.

2

YM129612-52110

COVER

3

YM129612-66201

SUPPORT

4

YM26106-060122

SCREW

5

YM26106-080202

BOLT PLATED

6

YM129612-55620

FILTER, ASSY.

7

YM104200-55330

SPRING

8

YM105900-55330

SPRING

9

YM129612-55510

CUP, STRAINER

10

YM129100-55650

CARTRIDGE

11

YM129100-55670

LINK

12

YM129100-55690

RING, NUT

13

YM121257-55731

FLOAT

14

YM104200-55750

SCREW

15

YM24311-000160

O-RING

16

YM24311-240100

O-RING

17

YM24321-000650

O-RING

18

YM121236-77340

SPACER

19

YM26014-080702

SCREW

20

YM103854-39140

SCREW

21

YM101304-59020

UNION

22

YM124766-59050

CLAMP

23

YM124766-59050

CLAMP

24

YM105312-59510

PIPE

25

YM129612-59510

PIPE

26

YM22190-120002

WASHER

27

YM129052-55630

STRAINER, FUEL OIL

Выбрано товаров: 28