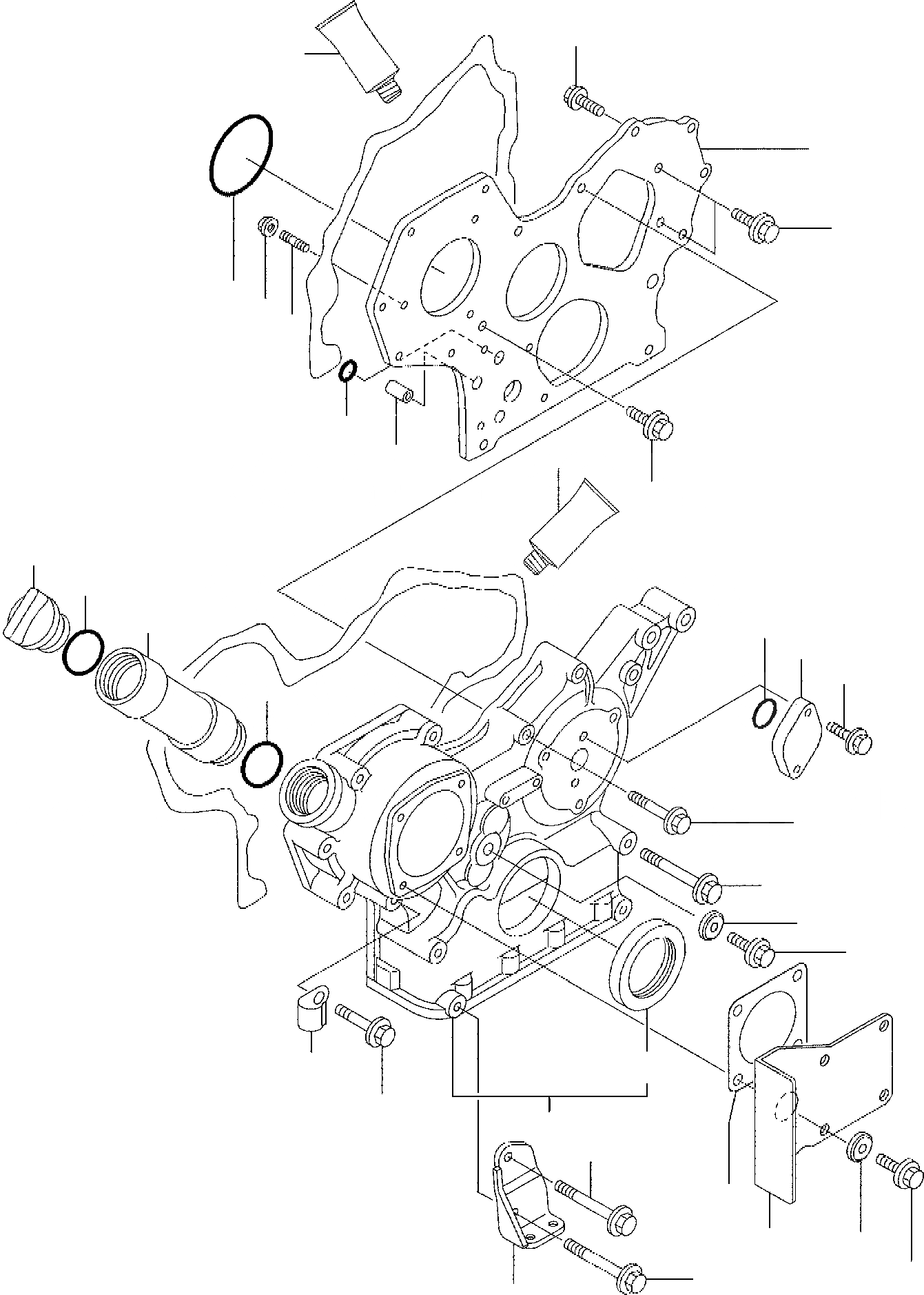
Запчасти Komatsu PC45R-8 КОЖУХ ШЕСТЕРЕН. ПЕРЕДАЧИ ДВИГАТЕЛЬ

Схема запчастей Komatsu PC45R-8 - КОЖУХ ШЕСТЕРЕН. ПЕРЕДАЧИ ДВИГАТЕЛЬ
17
32
4
23
12
21
5
13
32
9
23
6
14
30
25
24
26
31
19
20
11
16
10
3
18
1
29
8
7
22
15
28
27
FIT
1:1
100%

Артикул

Название

Примечание

Количество

\0

871070024

MOTOR, ASSY.

1

YM719810-01500

HOUSING ASSY., GEAR

3

YM129795-01800

SEAL, OIL

4

YM129400-01520

FLANGE, GEAR HOUSING

5

YM121450-01560

STUD

6

YM124160-01751

PLUG

7

YM129612-55660

COVER

8

YM124240-01883

GASKET

9

YM129795-01950

PIPE

10

YM129150-03100

RETAINER

11

YM22190-080002

GASKET

12

YM121850-51960

O-RING

13

YM24311-000160

O-RING

14

YM24311-000320

O-RING

15

YM26106-080122

BOLT PLATED

16

YM26106-080162

BOLT

17

YM26106-080202

BOLT PLATED

18

YM26106-080452

BOLT

19

YM26106-080552

BOLT

20

YM129001-91840

SCREW

21

YM26366-080002

NUT

22

YM22190-080002

GASKET

23

YM26106-080162

BOLT

24

YM121023-01550

COVER

25

YM24341-000240

O-RING

26

YM26106-060122

SCREW

27

YM129612-13551

SUPPORT

28

YM26106-080902

BOLT

29

YM26106-080952

SCREW

30

YM171031-11741

PIPE

31

YM24311-000320

O-RING

32

YM977770-01212

GASKET, LIQUID

Выбрано товаров: 0