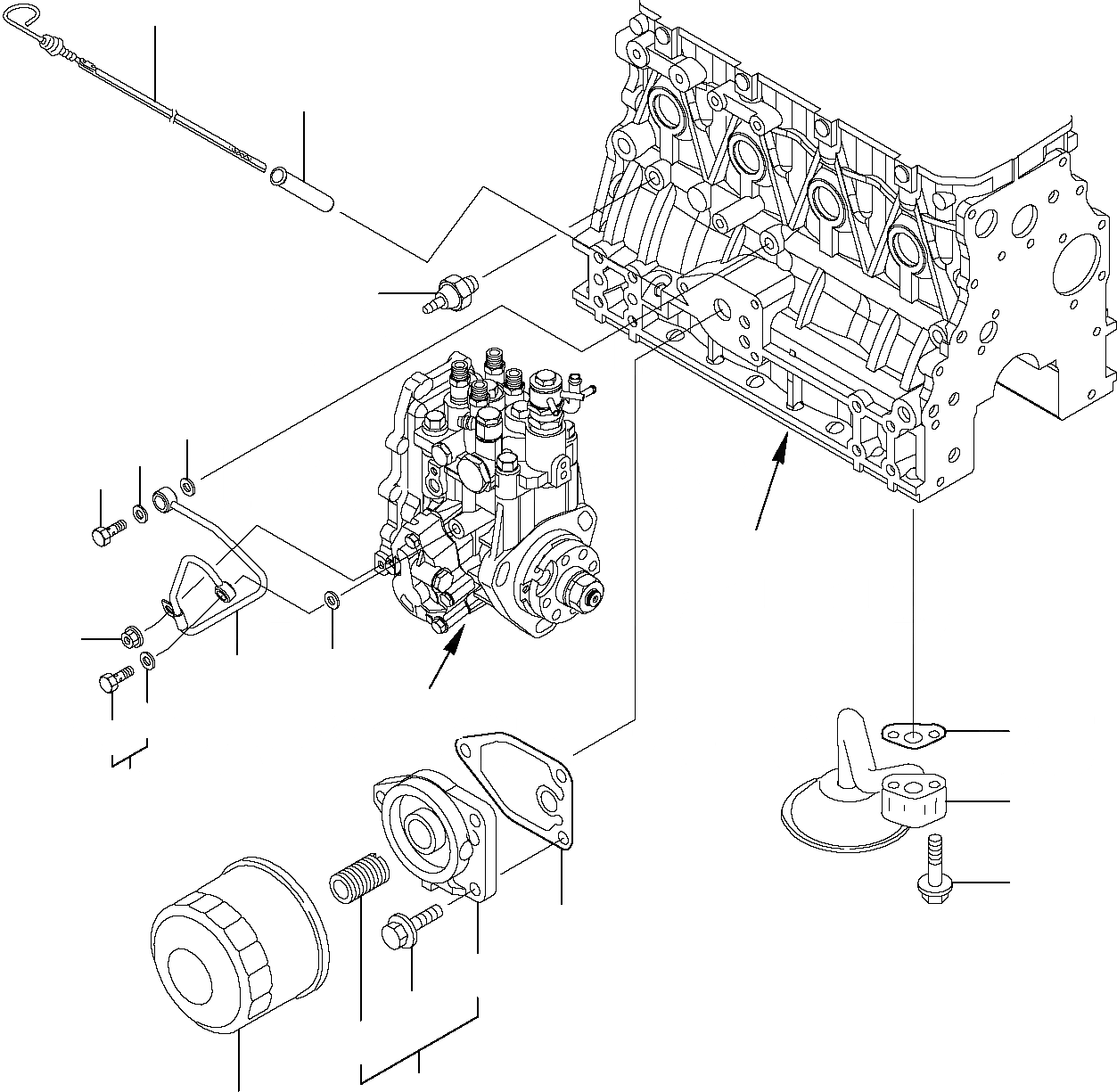
Запчасти Komatsu PC45R-8 СМАЗЫВ. НАСОС ДВИГАТЕЛЬ

Схема запчастей Komatsu PC45R-8 - СМАЗЫВ. НАСОС ДВИГАТЕЛЬ
1
2
12
19
19
13
20
18
14
17
3
16
15
4
5
9
7
11
8
6
10
A
B
FIT
1:1
100%

Артикул

Название

Примечание

Количество

\0

871070070

ENGINE, ASSY.

1

YM129004-34801

DIPSTICK

2

YM121520-34810

GUIDE

3

YM129150-35041

GASKET

4

YM129436-35091

PIPE

5

YM26106-080352

BOLT

6

YM119802-35100

BRACKET ASSY, FILTER

7

YM119802-35110

BRACKET, FILTER

8

YM129100-35140

STUD

9

YM129150-35111

GASKET

10

YM129150-35152

FILTER

11

YM26106-080202

BOLT

12

YM114250-39450

OIL PRESSURE TRANSMITTER

13

YM124160-39140

SCREW

14

YM119802-39450

PIPE

15

YM129005-59830

BOLT, ASSY.

16

YM23857-030000

BOLT

17

YM22190-080002

GASKET

18

YM22190-080002

GASKET

19

YM22190-100002

GASKET

20

YM26366-060002

NUT

Выбрано товаров: 21