Качественные детали и логистика
Оригинальные и аналоговые запчасти с доставкой по России, Казахстану и Беларуси
©2022 PartSell ООО "Система" ИНН 2463123282 ОГРН 1212400004838
Центральный офис: г. Красноярск, Академика Киренского, д.87, пом.4
Телефон: 8 (800) 777-65-74 Email: zakaz@partsell.ru
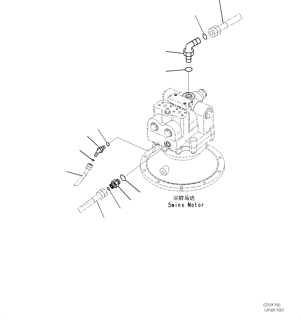
МОТОР ПОВОРОТА
№
Артикул
Название
Примечание
Количество
1
02781-00522
UNION
2
02896-11015
O-RING
3
07002-12434
4
21W-62-42640
ELBOW
5
207-62-64740
6
07002-13334
7
11Y-62-12510
8
02896-11009
9
07002-11423
10
208-62-71370
HOSE
11
02760-00325
12
02762-005A9
HOSE, FACE SEAL TYPE
Выбрано товаров: 0