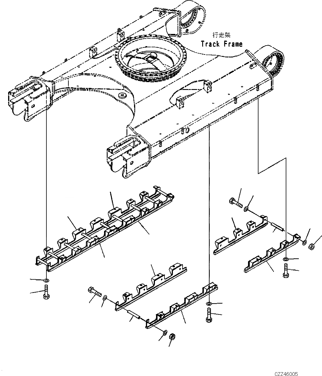
Запчасти Komatsu PC460LC-8 ГУСЕНИЧНАЯ РАМА (ПОЛН. ЗАЩИТА КАТКОВ) R [НИЖН.CARRIAGE]

Схема запчастей Komatsu PC460LC-8 - ГУСЕНИЧНАЯ РАМА (ПОЛН. ЗАЩИТА КАТКОВ) R [НИЖН.CARRIAGE]
1
10
1
10
7
4
8
3
4
8
9
2
6
3
5
2
6
5
6
7
8
5
8
9
FIT
1:1
100%

Артикул

Название

Примечание

Количество

1

208-30-D7210

GUARD(L.H)

2

208-30-D7220

GUARD(L.H)

3

208-30-D7230

GUARD(R.H)

4

208-30-D7240

GUARD(R.H)

5

01010-62455

BOLT

6

01643-32460

WASHER

7

421-975-1230

BOLT

8

01643-32460

WASHER

9

01580-12419

NUT

10

150-30-15553

SPACER

Выбрано товаров: 10