Запчасти Komatsu PC460LC-8 ЭЛЕКТРИЧ. ПРОВОДКА (ЛАМПА РАБОЧ. ОСВЕЩЕНИЯ) E [ЭЛЕКТРИКА]

Схема запчастей Komatsu PC460LC-8 - ЭЛЕКТРИЧ. ПРОВОДКА (ЛАМПА РАБОЧ. ОСВЕЩЕНИЯ) E [ЭЛЕКТРИКА]
22
1
1
8
23
2
3
17
20
21
15
4
14
9
13
12
11
10
9
8
7
6
1
4
5
18
19
16
24
25
26
29
27
28
FIT
1:1
100%

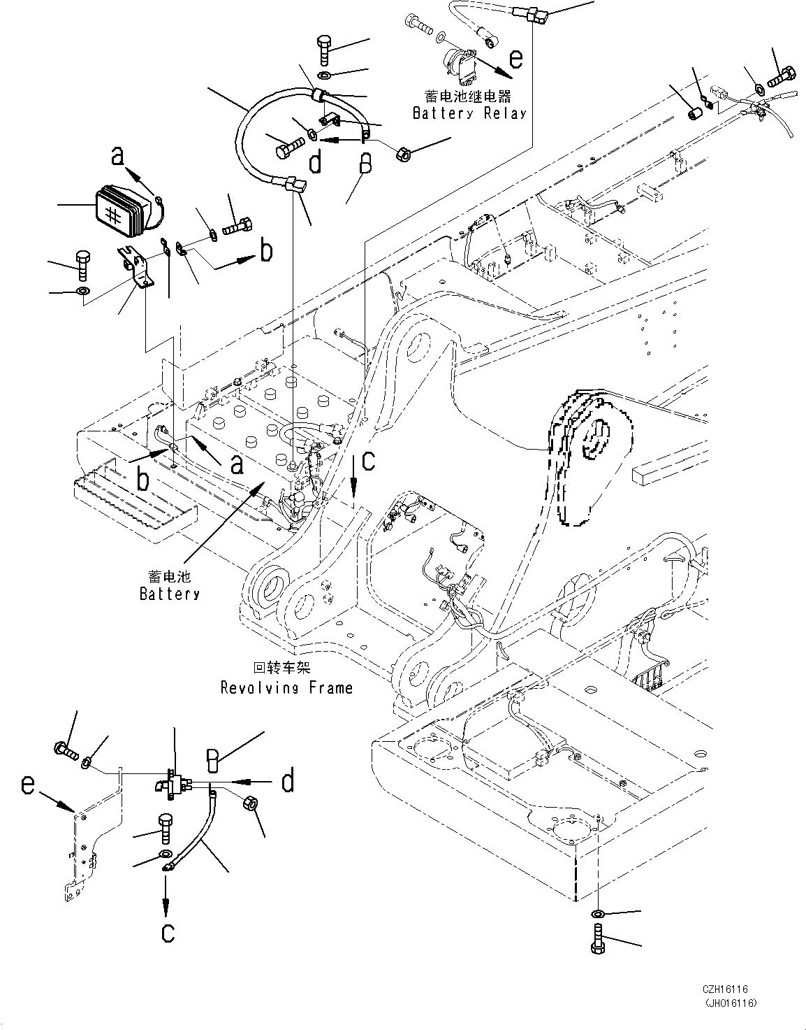
Артикул

Название

Примечание

Количество

1

08068-00001

SWITCH, BATTERY

2

08028-44040

CABLE, GROUND

3

208-06-D1591

CABLE, GROUND

4

08038-00035

CAP, TERMINAL

5

04434-53211

CLIP

6

07095-20523

CUSHION

7

203-62-56381

BRACKET

8

01010-81020

BOLT

9

01643-31032

WASHER

10

01245-00830

SCREW, HEXAGON SOCKET HEAD

11

01643-70823

WASHER

12

01010-81025

BOLT

13

01643-31032

WASHER

14

08038-22511

CAP

15

08038-42511

CAP

16

20Y-06-43230

WORKING LAMP ASSEMBLY

|$17

421-06-23330

BULB, 70WATT

17

20Y-06-31680

BRACKET

18

01010-81230

BOLT

19

01643-31232

WASHER

20

01010-81220

BOLT

21

01643-31232

WASHER

22

08057-12012

CLIP

23

08193-20012

CLIP

24

01010-81016

BOLT

25

01643-31032

WASHER

26

08193-20012

CLIP

27

01010-81260

BOLT

28

01643-31232

WASHER

29

142-03-11160

SPACER

Выбрано товаров: 30