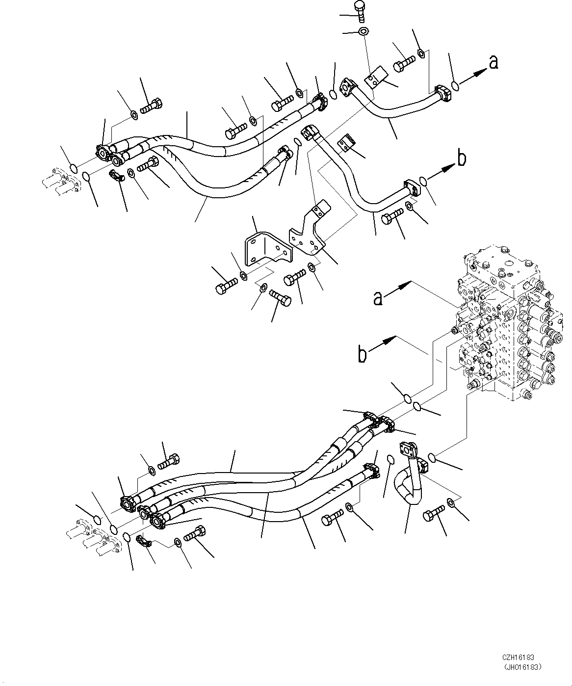
Запчасти Komatsu PC460LC-8 РУКОЯТЬ И КОВШ ТРУБЫ H [ГИДРАВЛИКА]

Схема запчастей Komatsu PC460LC-8 - РУКОЯТЬ И КОВШ ТРУБЫ H [ГИДРАВЛИКА]
11
37
10
26
15
25
16
14
38
13
8
12
13
19
24
41
31
14
18
14
9
21
14
17
12
13
1
19
13
18
6
36
5
23
7
39
4
28
29
30
3
24
27
20
2
34
33
35
40
32
22
29
4
28
27
3
22
20
6
5
28
27
29
FIT
1:1
100%

Артикул

Название

Примечание

Количество

1

208-62-71560

TUBE

2

208-62-71570

TUBE

3

07000-13035

O-RING

4

07371-31049

FLANGE, SPLIT

5

07372-21035

BOLT

6

01643-51032

WASHER

7

208-62-71580

TUBE

8

07000-13035

O-RING

9

07371-31049

FLANGE, SPLIT

10

07372-21035

BOLT

11

01643-51032

WASHER

12

208-62-77130

HOSE

13

07000-13032

O-RING

14

07371-31049

FLANGE, SPLIT

15

07372-21035

BOLT

16

01643-51032

WASHER

17

208-62-77140

HOSE

18

07000-13032

O-RING

19

07372-21040

BOLT

20

01643-51032

WASHER

21

208-62-77150

HOSE

22

07000-13032

O-RING

23

208-62-77120

HOSE

24

07000-13032

O-RING

25

07372-21040

BOLT

26

01643-51032

WASHER

27

07371-31049

FLANGE, SPLIT

28

07372-21035

BOLT

29

01643-51032

WASHER

30

208-62-D6970

BRACKET

31

01010-81230

BOLT

32

175-54-34170

WASHER

33

01010-81240

BOLT

34

175-54-34170

WASHER

35

208-62-76940

BRACKET

36

207-62-31330

CLAMP

37

01010-81230

BOLT

38

01643-31232

WASHER

39

208-62-76910

CLAMP

40

01010-81250

BOLT

Выбрано товаров: 40