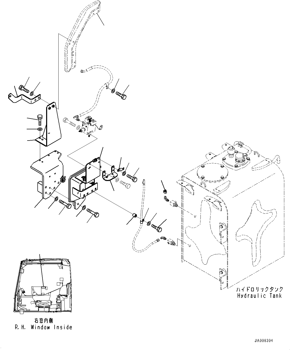
Запчасти Komatsu PC490-10 БЫСТРОСЪЕМН. МЕХ-М ТРУБЫ, КОРПУС БЫСТРОСЪЕМН. МЕХ-М ТРУБЫ

Схема запчастей Komatsu PC490-10 - БЫСТРОСЪЕМН. МЕХ-М ТРУБЫ, КОРПУС БЫСТРОСЪЕМН. МЕХ-М ТРУБЫ
2
3
7
11
10
9
13
12
8
24
21
20
19
18
17
4
5
6
25
23
22
16
15
14
1
FIT
1:1
100%

Артикул

Название

Примечание

Количество

1

208-62-43560

Bracket

2

01010-81260

Bolt

3

01643-31232

Washer

4

208-62-43570

Bracket

5

01010-81230

Bolt

6

01643-31232

Washer

7

208-62-75651

Bracket

8

08193-20010

Clip

9

01010-80820

Bolt

10

01643-30823

Washer

11

208-62-47230

Bracket

12

01643-31232

Washer

13

01011-81205

Bolt

14

208-62-44160

Bracket

15

01010-81230

Bolt

16

01643-31232

Washer

17

195-33-11220

Spacer

18

04434-51312

Clip

19

01010-81250

Bolt

20

01643-31232

Washer

21

02789-10315

Plug

22

01010-81225

Bolt

23

01643-31232

Washer

24

20J-00-11271

Plate, Warning, Quick Coupler

25

208-62-47240

Bracket

Выбрано товаров: 25