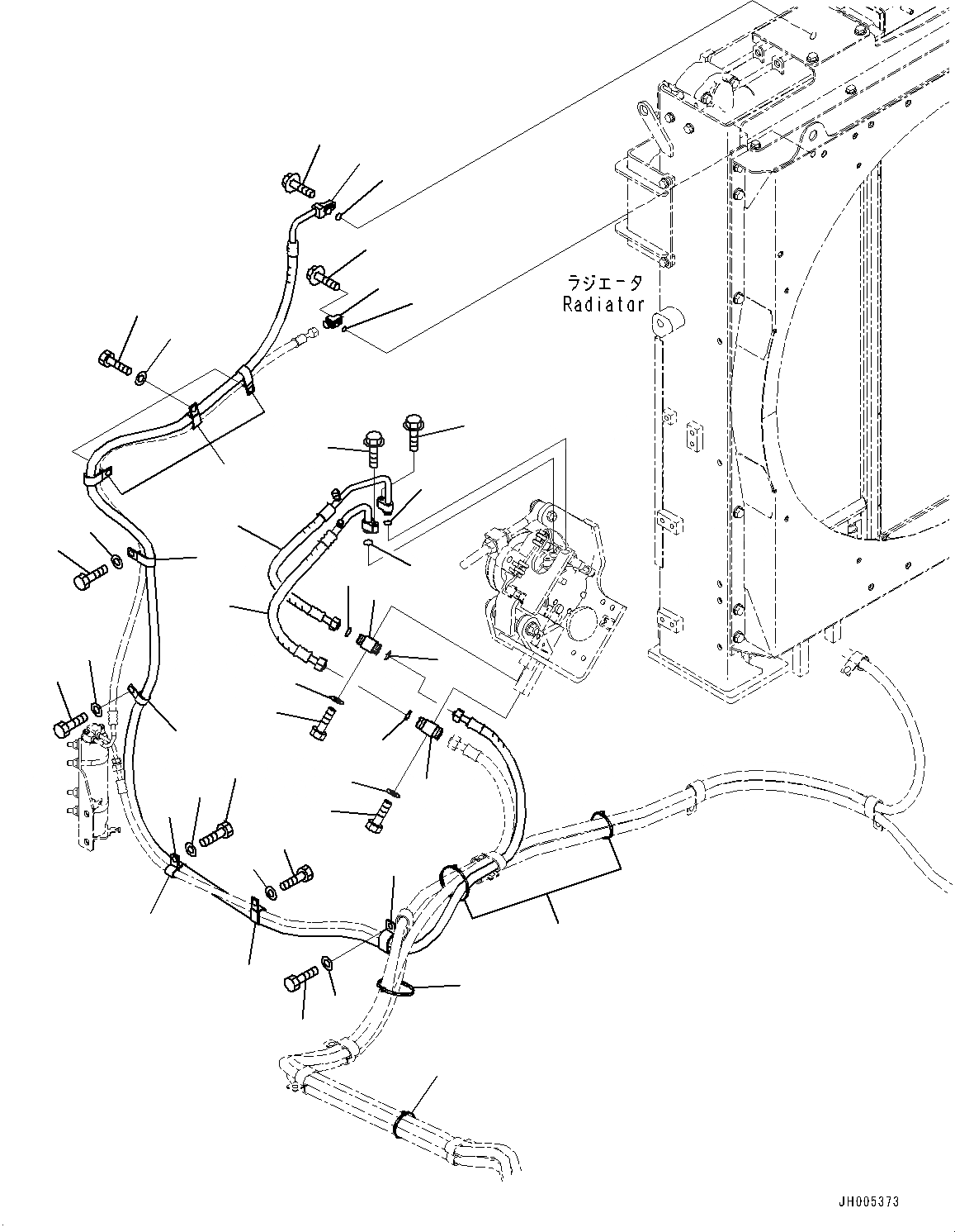
Запчасти Komatsu PC490-10 БЛОК КОНДИЦИОНЕРА, ЛИНИЯ ОХЛАЖДЕНИЯ БЛОК КОНДИЦИОНЕРА

Схема запчастей Komatsu PC490-10 - БЛОК КОНДИЦИОНЕРА, ЛИНИЯ ОХЛАЖДЕНИЯ БЛОК КОНДИЦИОНЕРА
3
1
2
6
4
5
8
9
15
7
8
10
14
12
11
13
16
14
18
17
19
21
20
22
24
23
25
28
27
26
31
30
29
33
34
32
32
33
34
35
35
35
2
FIT
1:1
100%

Артикул

Название

Примечание

Количество

1

208-979-4212

Hose

2

20Y-979-3140

O-Ring

3

01435-00625

Bolt

4

209-979-7460

Joint

5

20Y-979-3150

O-Ring

6

01435-00625

Bolt

7

208-979-4320

Hose

8

20Y-979-3140

O-Ring

9

01435-00625

Bolt

10

2A5-979-1520

Union

11

01010-81250

Bolt

12

01643-31232

Washer

13

208-979-4310

Hose

14

20Y-979-3130

O-Ring

15

01435-00625

Bolt

16

2A5-979-1510

Union

17

01010-81250

Bolt

18

01643-31232

Washer

19

141-06-11220

Clip

20

01010-81225

Bolt

21

01643-31232

Washer

22

04435-51812

Clip

23

01010-81225

Bolt

24

01643-31232

Washer

25

04434-51912

Clip

26

04434-51512

Clip

27

01010-81225

Bolt

28

01643-31232

Washer

29

04434-51912

Clip

30

01010-81225

Bolt

31

01643-31232

Washer

32

04435-51812

Clip

33

01010-81225

Bolt

34

01643-31232

Washer

35

08034-20536

Band

Выбрано товаров: 0