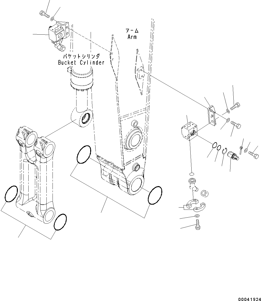
Запчасти Komatsu PC490-10 РУКОЯТЬ, MM, С БЫСТРОСЪЕМН. МЕХ-М, KUK, БЫСТРОСЪЕМН. МЕХ-М ТРУБЫ РУКОЯТЬ, MM, С БЫСТРОСЪЕМН. МЕХ-М, KUK

Схема запчастей Komatsu PC490-10 - РУКОЯТЬ, MM, С БЫСТРОСЪЕМН. МЕХ-М, KUK, БЫСТРОСЪЕМН. МЕХ-М ТРУБЫ РУКОЯТЬ, MM, С БЫСТРОСЪЕМН. МЕХ-М, KUK
8
7
8
7
8
8
4
6
5
4
2
1
4
6
4
5
3
1
6
2
8
5
8
9
9
FIT
1:1
100%

Артикул

Название

Примечание

Количество

1

208-62-75270

Tube

2

208-62-75280

Tube

3

20J-70-12280

Clamp

4

20J-62-11970

Clamp

5

01010-81025

Bolt

6

01643-31032

Washer

7

02777-20214

Hose, Face Seal Type

8

02896-11008

O-Ring

9

20G-62-34770

Plug

Выбрано товаров: 0