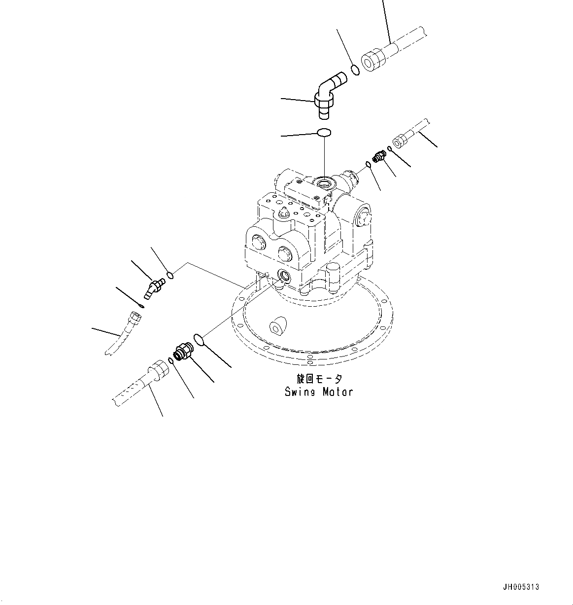
Запчасти Komatsu PC490-10 МОТОР ПОВОРОТА МОТОР ПОВОРОТА

Схема запчастей Komatsu PC490-10 - МОТОР ПОВОРОТА МОТОР ПОВОРОТА
5
1
3
4
6
2
9
7
8
15
14
13
10
12
11
16
FIT
1:1
100%

Артикул

Название

Примечание

Количество

1

02781-00522

Union

2

02896-11015

O-Ring

3

07002-12434

O-Ring

4

21W-62-42640

Elbow

5

207-62-64740

O-Ring

6

07002-13334

O-Ring

7

11Y-62-12510

Elbow

8

02896-11009

O-Ring

9

07002-11423

O-Ring

10

02781-0021D

Union

11

02896-11008

O-Ring

12

07002-11423

O-Ring

13

208-62-41572

Hose

|$13

208-62-41572

Hose

14

208-62-72131

Hose

|$15

208-62-72131

Hose

15

02762-005A9

Hose, Face Seal Type

16

02762-002A8

Hose, Face Seal Type

|$18

02762-002A8

Hose, Face Seal Type

Выбрано товаров: 19