Запчасти Komatsu PC490LC-10 ОСНОВН. УПРАВЛЯЮЩ. КЛАПАН, С -СЕРВИСНЫЙ КЛАПАН, КОРПУС КЛАПАНА И ДАТЧИК ОСНОВН. УПРАВЛЯЮЩ. КЛАПАН, С -СЕРВИСНЫЙ КЛАПАН

Схема запчастей Komatsu PC490LC-10 - ОСНОВН. УПРАВЛЯЮЩ. КЛАПАН, С -СЕРВИСНЫЙ КЛАПАН, КОРПУС КЛАПАНА И ДАТЧИК ОСНОВН. УПРАВЛЯЮЩ. КЛАПАН, С -СЕРВИСНЫЙ КЛАПАН
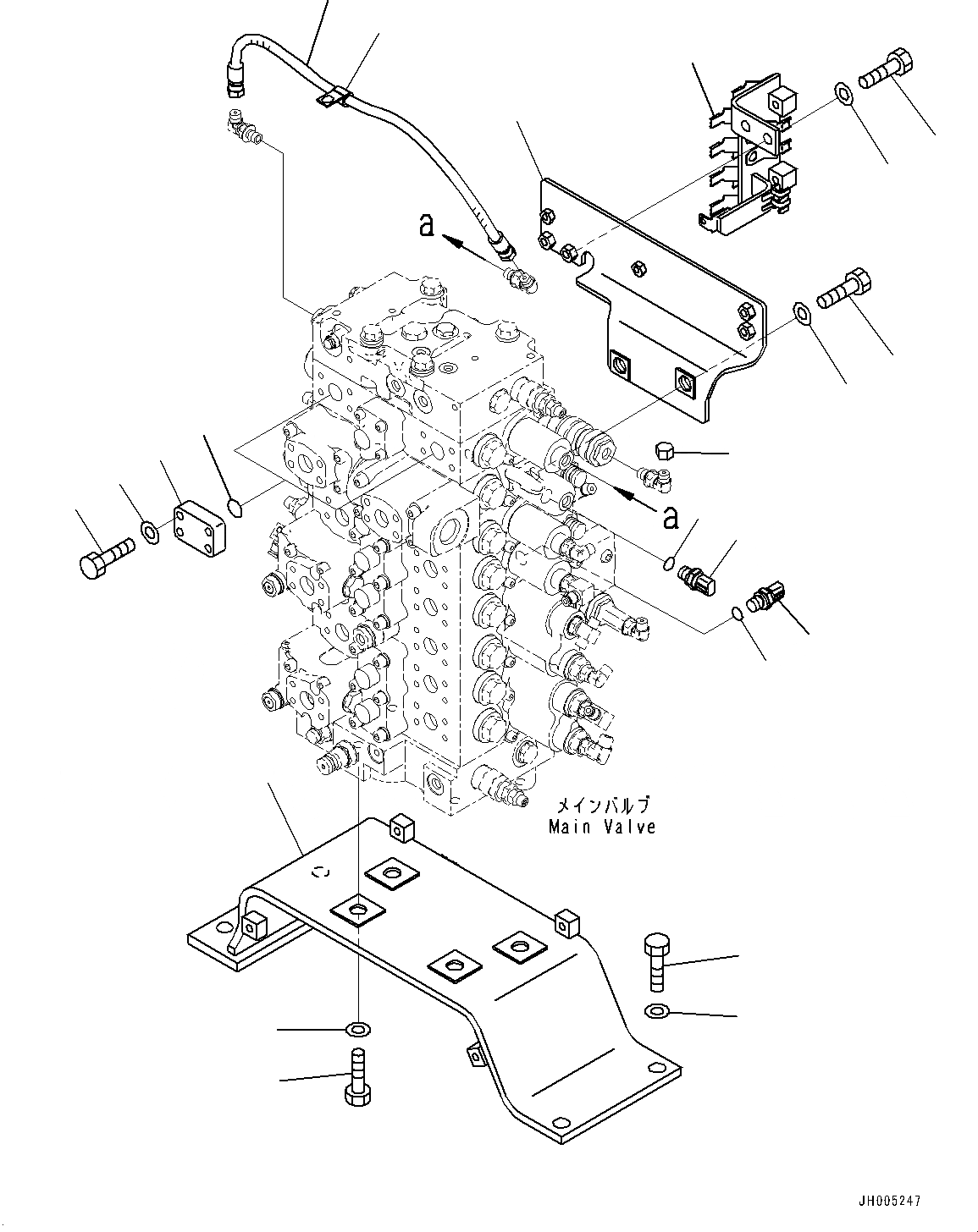
1
2
3
4
7
8
9
10
11
12
13
18
6
5
13
12
20
19
17
16
15
14
FIT
1:1
100%

Артикул

Название

Примечание

Количество

1

208-62-41491

Bracket

2

01010-81635

Bolt

3

01643-31645

Washer

4

208-62-41551

Bracket

5

01010-81235

Bolt

6

01643-31232

Washer

7

208-62-41461

Bracket

8

01010-81640

Bolt

9

01643-31645

Washer

10

01010-81645

Bolt

11

01643-31645

Washer

12

7861-93-1812

Sensor, Pressure

13

07002-61823

O-Ring

14

207-62-56190

Flange

15

07000-13035

O-Ring

16

07372-21040

Bolt

17

01643-51032

Washer

18

02789-00210

Plug, Face Seal Type

19

02740-002A7

Hose

20

04434-51012

Clip

Выбрано товаров: 20