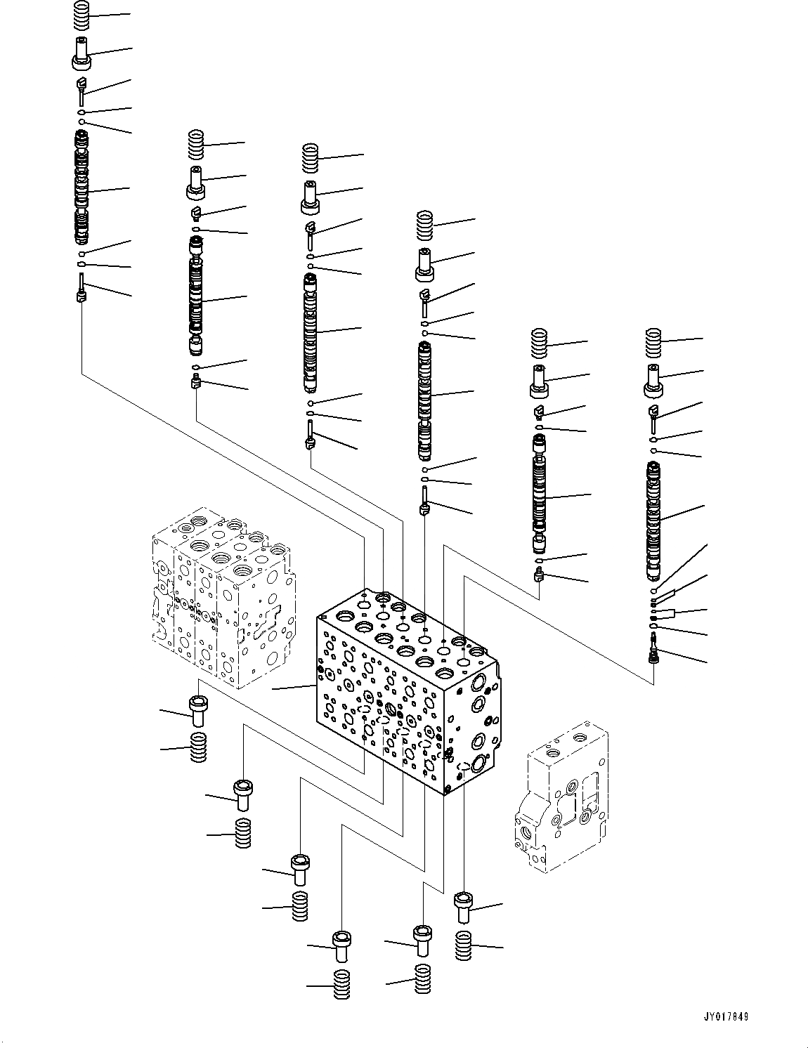
Запчасти Komatsu PC490LC-10 ОСНОВН. УПРАВЛЯЮЩ. КЛАПАН, С -ДОПОЛН. АКТУАТОР ТРУБЫ, АККУМУЛЯТОР, ВНУТР. ЧАСТИ (/) ОСНОВН. УПРАВЛЯЮЩ. КЛАПАН, С -ДОПОЛН. АКТУАТОР ТРУБЫ, АККУМУЛЯТОР

Схема запчастей Komatsu PC490LC-10 - ОСНОВН. УПРАВЛЯЮЩ. КЛАПАН, С -ДОПОЛН. АКТУАТОР ТРУБЫ, АККУМУЛЯТОР, ВНУТР. ЧАСТИ (/) ОСНОВН. УПРАВЛЯЮЩ. КЛАПАН, С -ДОПОЛН. АКТУАТОР ТРУБЫ, АККУМУЛЯТОР
8
10
15
17
20
15
10
3
9
9
17
18
10
10
8
9
10
15
17
17
18
20
19
16
16
20
18
16
16
15
10
9
8
6
5
4
7
2
1
10
15
18
15
10
8
10
8
8
8
10
15
17
20
15
10
16
18
18
17
20
16
13
14
12
11
FIT
1:1
100%

Артикул

Название

Примечание

Количество

|$0

723-49-27400

Valve Assembly, Control

8

723-46-15130

Plug

9

723-46-15140

Plug

10

07002-10823

O-Ring

12

07002-11423

O-Ring

15

708-7T-16460

Ball

16

723-46-15120

Retainer

17

723-46-15690

Retainer

18

723-46-14110

Spring

19

723-46-14170

Spring

20

723-46-14131

Spring

Выбрано товаров: 11