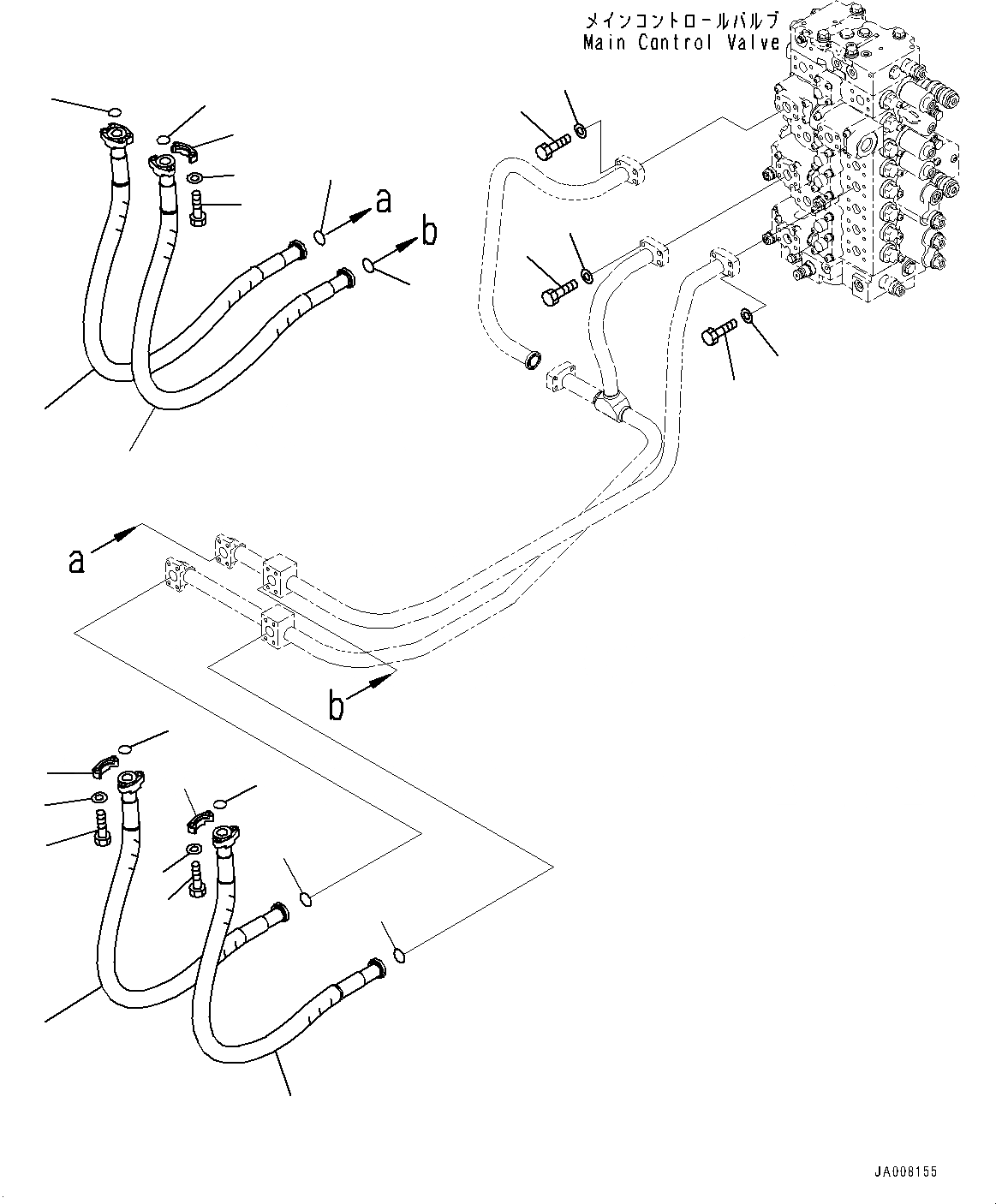
Запчасти Komatsu PC490LC-10 ТРУБЫ СТРЕЛЫ, ТРУБЫ (/) ТРУБЫ СТРЕЛЫ

Схема запчастей Komatsu PC490LC-10 - ТРУБЫ СТРЕЛЫ, ТРУБЫ (/) ТРУБЫ СТРЕЛЫ
1
2
3
4
5
6
7
8
9
1
2
3
2
2
4
4
4
5
5
6
7
7
6
8
9
8
9
FIT
1:1
100%

Артикул

Название

Примечание

Количество

1

207-62-52610

Hose

2

07000-13032

O-Ring

3

206-62-51650

Hose

4

07000-13032

O-Ring

5

07371-31049

Flange, Split

6

07372-21035

Bolt

7

01643-51032

Washer

8

07372-21040

Bolt

9

01643-51032

Washer

Выбрано товаров: 9