Запчасти Komatsu PC490LC-10 СИСТЕМА ОХЛАЖДЕНИЯ, ВНУТР. ЧАСТИ, МОТОР ВЕНТИЛЯТОРА (/) СИСТЕМА ОХЛАЖДЕНИЯ

Схема запчастей Komatsu PC490LC-10 - СИСТЕМА ОХЛАЖДЕНИЯ, ВНУТР. ЧАСТИ, МОТОР ВЕНТИЛЯТОРА (/) СИСТЕМА ОХЛАЖДЕНИЯ
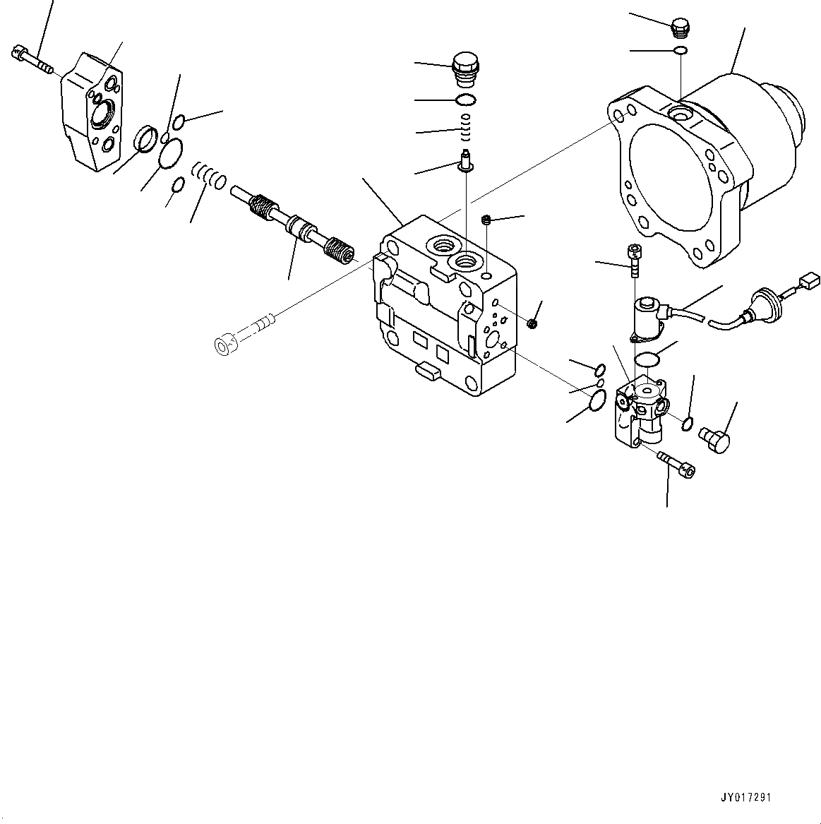
4
5
6
7
8
9
10
11
12
13
14
15
16
17
20
24
25
26
21
22
23
14
5
18
1
3
2
18
19
FIT
1:1
100%

Артикул

Название

Примечание

Количество

|$0

708-7W-00220

Motor Assembly

1

708-7W-11230

Case

2

708-8K-16280

Plug

3

07002-21623

O-Ring

|$4

708-7W-01050

Cover Subassembly

6

709-25-11650

Valve, Check

7

709-25-11361

Spring

8

708-7S-21610

Plug

9

07002-12434

O-Ring

11

708-7W-18150

Spring

12

708-7W-18160

Spacer

13

708-7W-18170

Cover

14

07000-12016

O-Ring

15

07000-12035

O-Ring

16

01252-60845

Bolt

17

07000-12010

O-Ring

18

708-7W-01070

Pilot

19

702-21-55870

O-Ring

20

01252-60616

Bolt

21

708-7S-18360

O-Ring

22

07000-F1008

O-Ring

23

708-7S-18230

O-Ring

24

07040-11007

Plug

25

07002-21023

O-Ring

26

01252-60835

Bolt

Выбрано товаров: 25