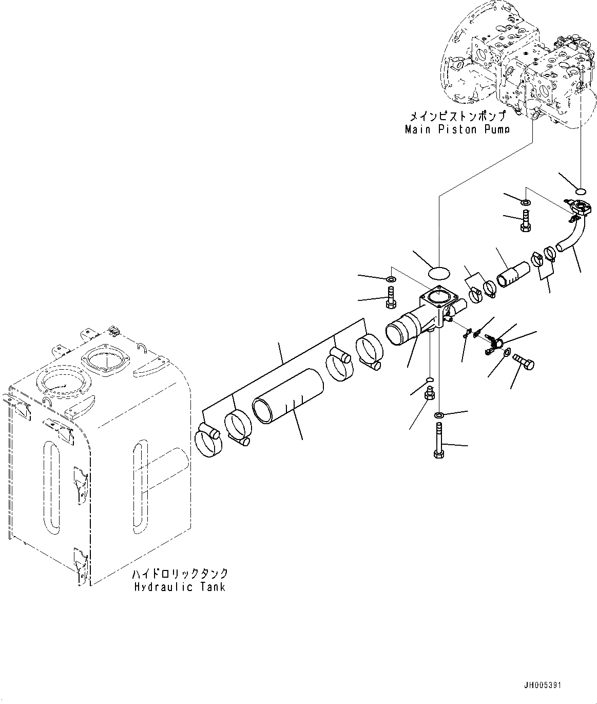
Запчасти Komatsu PC490LC-10 ВСАСЫВ. ТРУБЫ (№8-) ВСАСЫВ. ТРУБЫ

Схема запчастей Komatsu PC490LC-10 - ВСАСЫВ. ТРУБЫ (№8-) ВСАСЫВ. ТРУБЫ
12
11
4
3
19
18
6
10
9
2
8
7
20
21
1
16
15
17
13
22
23
5
14
FIT
1:1
100%

Артикул

Название

Примечание

Количество

1

208-62-41132

Tube

2

7861-93-3320

Sensor, Oil Temperature

3

07040-12414

Plug

4

07002-12434

O-ring

5

07000-12105

O-ring

6

08193-20012

Clip

7

01010-81230

Bolt

8

01643-31232

Washer

9

04434-50612

Clip

10

08057-00812

Plate

11

208-62-41110

Hose

12

209-62-41341

Clamp

13

208-62-41142

Tube

14

07000-13048

O-ring

15

208-62-41120

Hose

16

21M-62-21550

Clamp

17

17A-61-41770

Clamp

18

01011-81260

Bolt

19

01643-31232

Washer

20

01010-81250

Bolt

21

01643-31232

Washer

22

07372-21245

Bolt

23

01643-51232

Washer

Выбрано товаров: 23