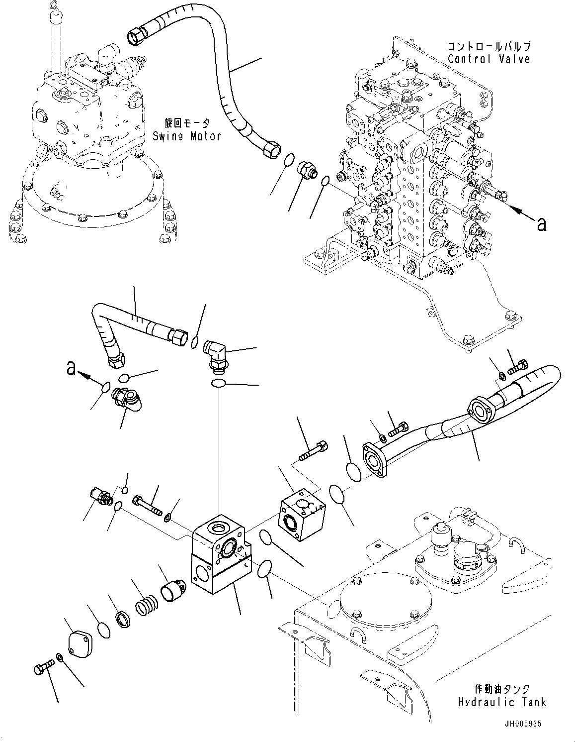
Запчасти Komatsu PC490LC-10 ВОЗВРАТ. ТРУБЫ (№8-) ВОЗВРАТ. ТРУБЫ, С -ДОПОЛН. АКТУАТОР ТРУБЫ, АККУМУЛЯТОР

Схема запчастей Komatsu PC490LC-10 - ВОЗВРАТ. ТРУБЫ (№8-) ВОЗВРАТ. ТРУБЫ, С -ДОПОЛН. АКТУАТОР ТРУБЫ, АККУМУЛЯТОР
8
9
10
20
1
4
5
6
7
15
13
14
12
16
17
18
19
21
22
23
25
26
27
28
3
14
12
13
29
24
2
5
6
7
11
FIT
1:1
100%

Артикул

Название

Примечание

Количество

1

208-62-71831

Block

2

07000-13048

O-ring

3

01252-71295

Bolt, Hexagon Socket Head

4

208-62-41192

Hose

5

07000-13048

O-ring

6

01010-81240

Bolt

7

01643-31232

Washer

8

208-62-41572

Hose

9

20U-62-41810

Nipple

10

207-62-64740

O-ring

11

07002-12434

O-ring

12

21W-62-42640

Elbow

13

207-62-64740

O-ring

14

07002-13334

O-ring

15

561-43-83920

Hose

16

208-62-41960

Block

17

207-60-75160

Valve

18

706-76-71190

Spring

19

207-60-51170

Spacer

20

208-62-71420

Flange

21

07000-12060

O-ring

22

01010-81235

Bolt

23

01643-31232

Washer

24

07000-12060

O-ring

25

01010-81290

Bolt

26

01643-31232

Washer

27

02782-10628

Elbow

28

02896-61018

O-ring

29

07002-62434

O-ring

Выбрано товаров: 29