Запчасти Komatsu PC490LC-10 НАВЕСН. ОБОРУД ТРУБЫ, ВОЗВРАТ. ТРУБЫ (№8-) НАВЕСН. ОБОРУД ТРУБЫ, С УПРАВЛ-Е PATTERN CHANGE OVER КЛАПАН (ISO/ЭКСКАВАТ.)

Схема запчастей Komatsu PC490LC-10 - НАВЕСН. ОБОРУД ТРУБЫ, ВОЗВРАТ. ТРУБЫ (№8-) НАВЕСН. ОБОРУД ТРУБЫ, С УПРАВЛ-Е PATTERN CHANGE OVER КЛАПАН (ISO/ЭКСКАВАТ.)
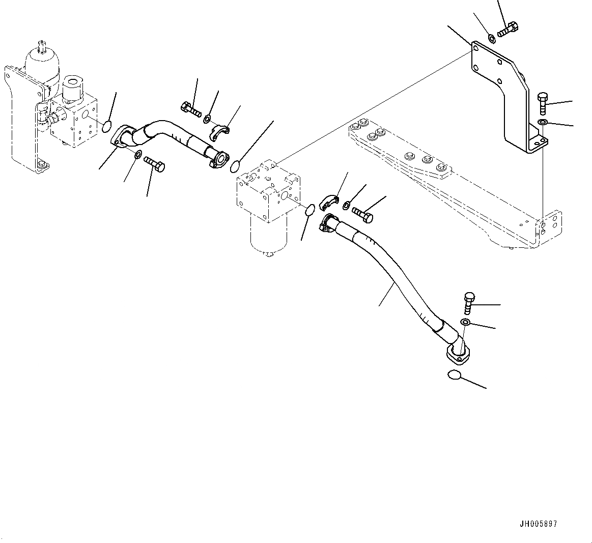
6
10
9
12
13
11
19
21
20
14
17
18
1
3
2
4
5
7
8
15
16
FIT
1:1
100%

Артикул

Название

Примечание

Количество

1

208-62-42570

Bracket

2

01010-81635

Bolt

3

01643-31645

Washer

4

01010-81240

Bolt

5

01643-31232

Washer

6

208-62-42530

Hose

7

07000-13038

O-ring

8

07000-13048

O-ring

9

01010-81240

Bolt

10

01643-31232

Washer

11

07371-31255

Flange, Split

12

07372-21040

Bolt

13

01643-51032

Washer

14

208-62-42540

Hose

15

07000-13038

O-ring

16

07000-13048

O-ring

17

01010-81240

Bolt

18

01643-31232

Washer

19

07371-31255

Flange, Split

20

07372-21040

Bolt

21

01643-51032

Washer

Выбрано товаров: 21