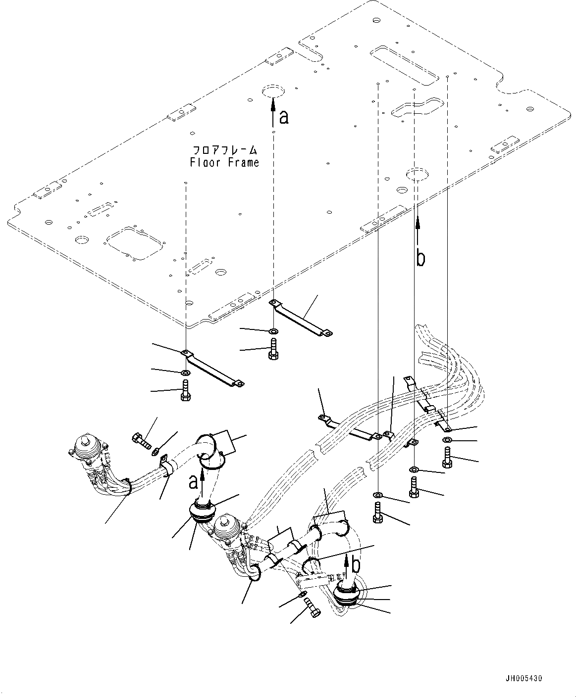
Запчасти Komatsu PC490LC-10 КАБИНА И ОСНОВН. КОНСТРУКЦИЯ ГРУППА, ПОЛ, ТРУБЫ КРЕПЛЕНИЕ (№8-) КАБИНА И ОСНОВН. КОНСТРУКЦИЯ ГРУППА, С ЗАЩИТА ОТ ВАНДАЛИЗМА, -ДОПОЛН. АКТУАТОР ТРУБЫ, АККУМУЛЯТОР, AM-FM РАДИО ДЛЯ СЕВ. АМЕРИКИ

Схема запчастей Komatsu PC490LC-10 - КАБИНА И ОСНОВН. КОНСТРУКЦИЯ ГРУППА, ПОЛ, ТРУБЫ КРЕПЛЕНИЕ (№8-) КАБИНА И ОСНОВН. КОНСТРУКЦИЯ ГРУППА, С ЗАЩИТА ОТ ВАНДАЛИЗМА, -ДОПОЛН. АКТУАТОР ТРУБЫ, АККУМУЛЯТОР, AM-FM РАДИО ДЛЯ СЕВ. АМЕРИКИ
12
7
11
10
10
1
6
25
4
5
4
2
3
6
20
21
23
24
17
18
16
22
19
13
15
14
14
15
13
12
9
8
FIT
1:1
100%

Артикул

Название

Примечание

Количество

1

208-06-19170

Clip

2

01010-81020

Bolt

3

01643-31032

Washer

4

08034-20536

Band

5

208-43-41111

Grommet

6

08034-20536

Band

7

04434-53211

Clip

8

01010-81020

Bolt

9

01643-31032

Washer

10

08034-20536

Band

11

2A5-43-11441

Grommet

12

08034-20536

Band

13

20Y-62-27770

Clamp

14

01010-81016

Bolt

15

01643-31032

Washer

16

2A5-62-13811

Clamp

17

01010-81016

Bolt

18

01643-31032

Washer

19

2A5-62-13820

Clamp

20

01010-81016

Bolt

21

01643-31032

Washer

22

2A5-62-13831

Clamp

23

01010-81016

Bolt

24

01643-31032

Washer

25

08034-20536

Band

Выбрано товаров: 25