Качественные детали и логистика
Оригинальные и аналоговые запчасти с доставкой по России, Казахстану и Беларуси
©2022 PartSell ООО "Система" ИНН 2463123282 ОГРН 1212400004838
Центральный офис: г. Красноярск, Академика Киренского, д.87, пом.4
Телефон: 8 (800) 777-65-74 Email: zakaz@partsell.ru
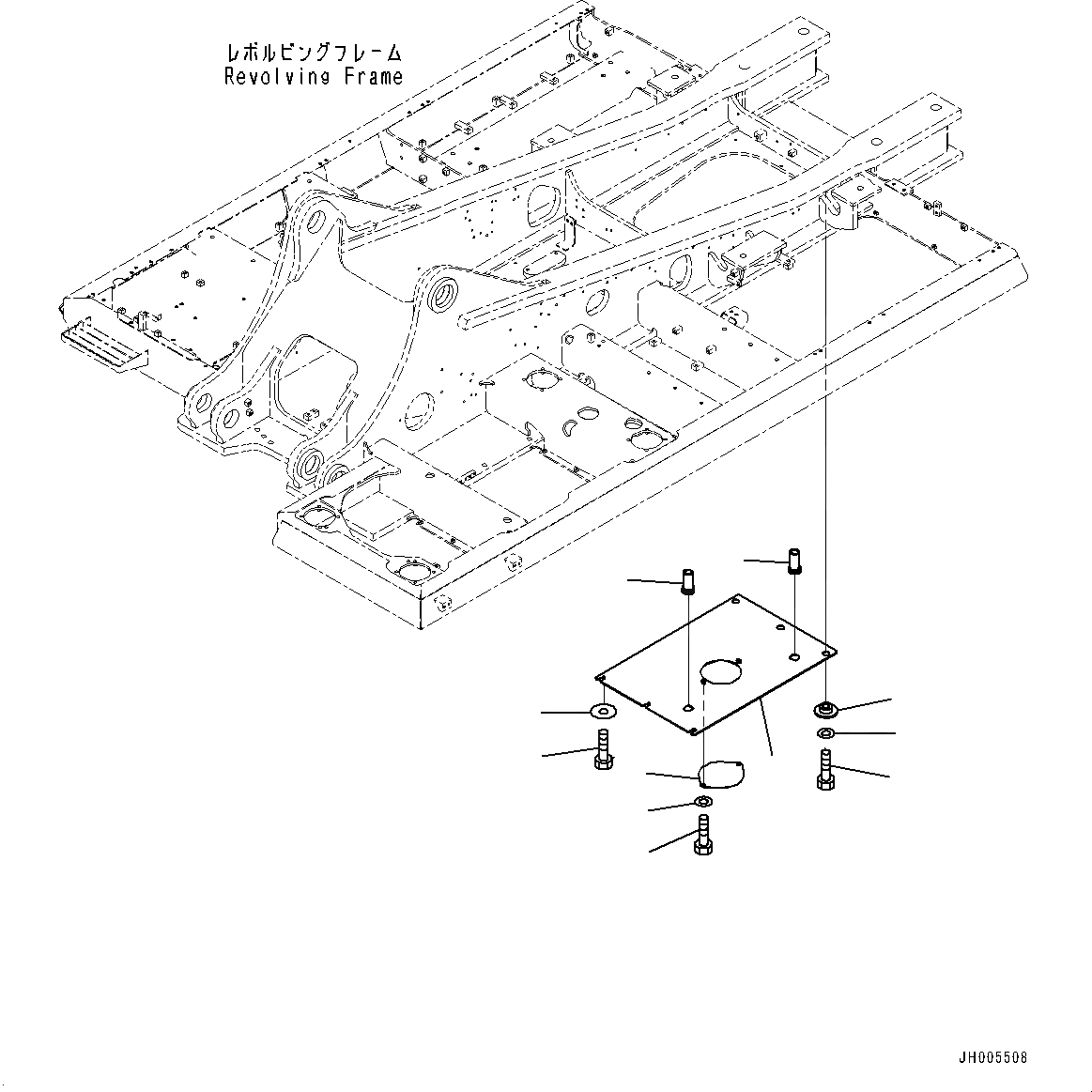
НИЖН. КРЫШКА, ЦЕНТР. (№8-)
№
Артикул
Название
Примечание
Количество
1
208-54-42261
Cover
2
22U-54-24760
Grommet
3
207-54-51440
Plate
4
01010-81230
Bolt
5
01643-31232
Washer
6
7
175-54-34170
8
208-54-57180
Collar
9
10
Выбрано товаров: 0