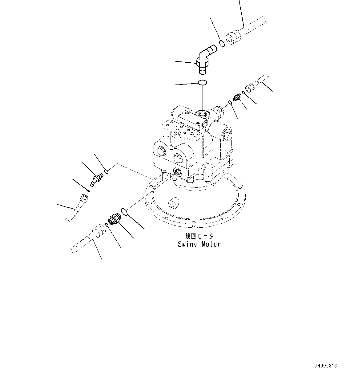
Запчасти Komatsu PC490LC-10 МОТОР ПОВОРОТА (№8-) МОТОР ПОВОРОТА

Схема запчастей Komatsu PC490LC-10 - МОТОР ПОВОРОТА (№8-) МОТОР ПОВОРОТА
5
1
3
4
6
2
9
7
8
15
14
13
10
12
11
16
FIT
1:1
100%

Артикул

Название

Примечание

Количество

1

02781-00522

Union

2

02896-11015

O-ring

3

07002-12434

O-ring

4

21W-62-42640

Elbow

5

207-62-64740

O-ring

6

07002-13334

O-ring

7

11Y-62-12510

Elbow

8

02896-11009

O-ring

9

07002-11423

O-ring

10

02781-0021D

Union

11

02896-11008

O-ring

12

07002-11423

O-ring

13

208-62-41572

Hose

|$13

208-62-41572

Hose

14

208-62-72131

Hose

|$15

208-62-72131

Hose

|$16

208-62-72131

Hose

15

02762-005A9

Hose, Face Seal Type

16

02762-002A8

Hose, Face Seal Type

|$19

02762-002A8

Hose, Face Seal Type

|$20

02762-002A8

Hose, Face Seal Type

Выбрано товаров: 21