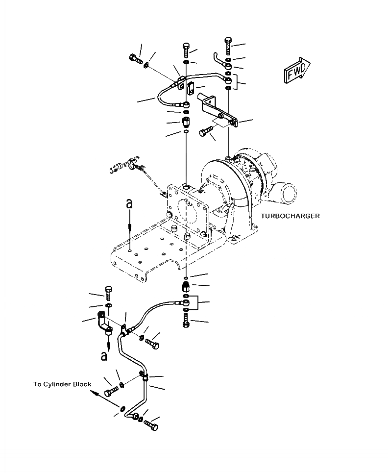
Запчасти Komatsu PC490LC-10 A- KOMATSU РЕГУЛИР. GEOMETRY ТУРБОНАГНЕТАТЕЛЬ (KVGT), ВОДН. ГИДРОЛИНИЯ ДВИГАТЕЛЬ

Схема запчастей Komatsu PC490LC-10 - A- KOMATSU РЕГУЛИР. GEOMETRY ТУРБОНАГНЕТАТЕЛЬ (KVGT), ВОДН. ГИДРОЛИНИЯ ДВИГАТЕЛЬ
24
18
25
15
19
23
16
17
19
22
14
16
20
12
13
21
2
1
7
5
9
8
11
4
6
10
11
10
9
3
5
4
5
FIT
1:1
100%

Артикул

Название

Примечание

Количество

1

6252-61-6340

NIPPLE

2

6252-61-6280

O-RING

3

6252-61-6160

TUBE

4

07206-31014

BOLT, JOINT

5

07005-01412

SEAL, WASHER

6

6252-61-6290

BRACKET

7

01010-81045

BOLT

8

01643-31032

WASHER

9

600-052-3100

CLIP

10

01010-81025

BOLT

11

01643-31032

WASHER

12

6252-61-6340

NIPPLE

13

6252-61-6280

O-RING

14

6252-61-6121

TUBE

15

07206-31014

BOLT, JOINT

16

07005-01412

SEAL, WASHER

17

6204-71-5730

JOINT

18

7700-45-1710

BOLT, JOINT

19

07005-01412

SEAL, WASHER

20

6252-61-6131

BRACKET

21

01020-11030

BOLT, STAINLESS

22

6240-51-8350

CLAMP

23

6240-51-8340

CLAMP

24

01010-81085

BOLT

25

01643-31032

WASHER

Выбрано товаров: 25