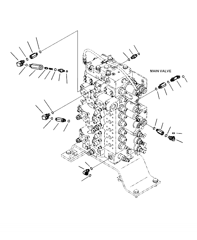
Запчасти Komatsu PC490LC-10 H-A ОСНОВН. УПРАВЛЯЮЩ. КЛАПАН CONNNECTING ЧАСТИ (/) ГИДРАВЛИКА

Схема запчастей Komatsu PC490LC-10 - H-A ОСНОВН. УПРАВЛЯЮЩ. КЛАПАН CONNNECTING ЧАСТИ (/) ГИДРАВЛИКА
26
25
5
24
4
23
6
22
16
17
18
19
20
10
21
9
11
24
12
11
23
8
7
3
22
16
2
21
1
15
13
14
FIT
1:1
100%

Артикул

Название

Примечание

Количество

1

11Y-62-12160

ELBOW

2

02896-11008

O-RING

3

07002-11423

O-RING

4

22L-62-22590

NIPPLE

5

02896-11008

O-RING

6

07002-11423

O-RING

7

20Y-62-22160

ADAPTER

8

07002-11423

O-RING

9

02782-1021A

ELBOW

10

02896-11008

O-RING

11

07002-11423

O-RING

12

20Y-62-22160

ADAPTER

13

02782-10311

ELBOW

14

02896-11009

O-RING

15

07002-11423

O-RING

|$15

20Y-62-41701

VALVE ASSEMBLY

16

NSS

BODY

17

20Y-60-22270

POPPET

18

701-20-61230

SPRING

19

07002-11423

O-RING

20

20Y-62-47630

NIPPLE

21

02896-11008

O-RING

22

07002-11423

O-RING

23

208-62-61140

ELBOW

24

07002-11423

O-RING

25

20Y-62-22160

ADAPTER

26

07002-11423

O-RING

Выбрано товаров: 27