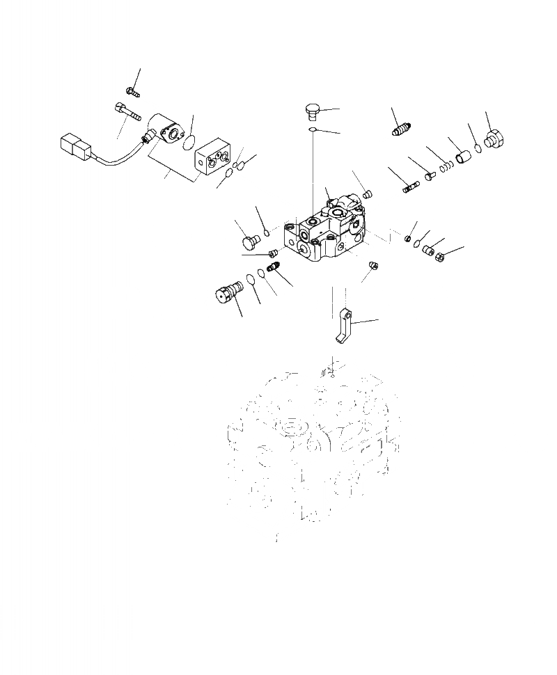
Запчасти Komatsu PC490LC-10 H-A ГИДР. НАСОС. (/7) ГИДРАВЛИКА

Схема запчастей Komatsu PC490LC-10 - H-A ГИДР. НАСОС. (/7) ГИДРАВЛИКА
24
18
10
22
11
13
20
23
9
26
25
8
2
25
20
19
14
17
15
2
2
3
6
5
12
4
21
16
7
19
1
FIT
1:1
100%

Артикул

Название

Примечание

Количество

|$2

78-1T-03550

VALVE ASSEMBLY

|$3

708-1S-03930

BODY SUBASSEMBLY

1

NSS

BODY

2

NSS

PLUG

3

708-1S-15420

PISTON

4

708-1S-15430

SLEEVE

5

07002-61623

O-RING

6

07000-B1010

O-RING

7

708-1S-15470

SPOOL

8

708-1S-15240

SEAT

9

708-1S-15441

SPRING

10

723-56-31630

PLUG

11

07002-61623

O-RING

12

708-1S-15270

LEVER

13

708-1S-15480

RETAINER

14

708-1S-15280

SPACER

15

708-1S-15490

PLUG

16

01582-11210

NUT

17

07000-B1006

O-RING

18

20B-27-11210

BLEEDER

19

07040-11007

PLUG

20

07002-61023

O-RING

21

702-21-61500

VALVE, PILOT

22

720-1L-15440

O-RING

23

720-1L-15430

O-RING

24

702-21-54180

SCREW

25

702-16-58320

O-RING

26

01252-60635

BOLT, HEXAGON SOCKET HEAD

Выбрано товаров: 28