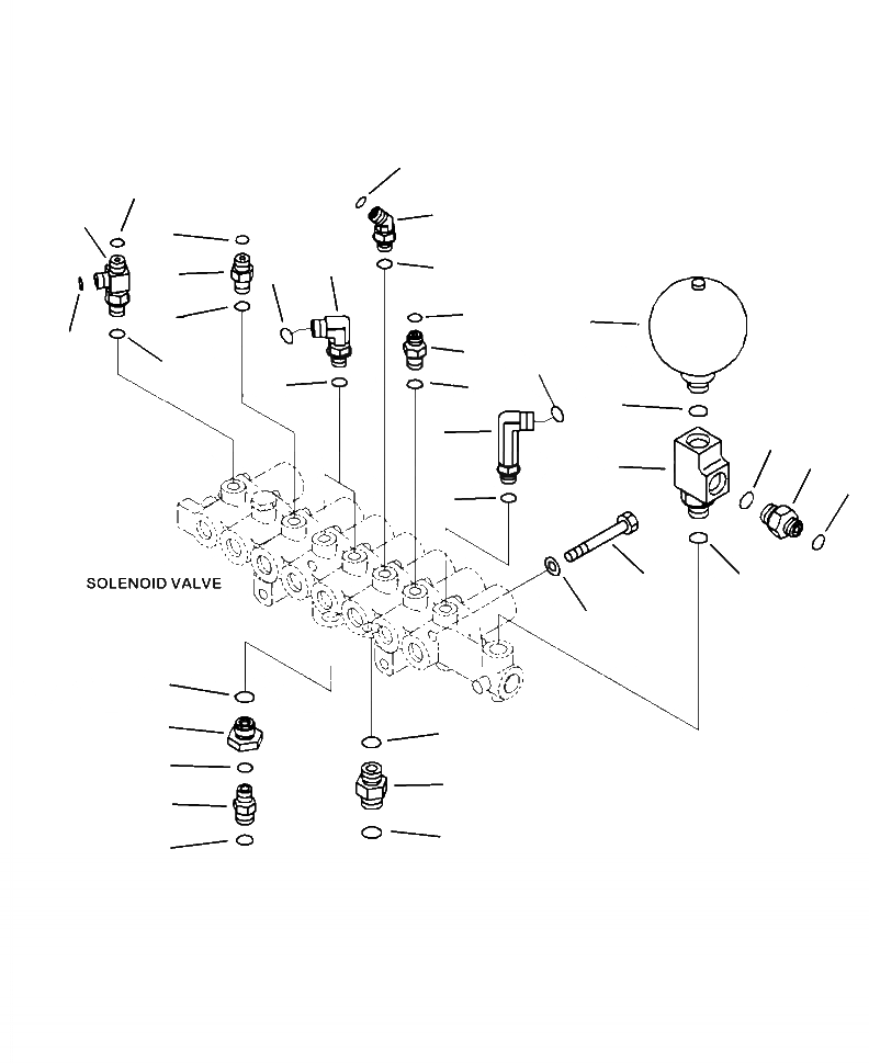
Запчасти Komatsu PC490LC-10 H8-A СОЛЕНОИДНЫЙ КЛАПАН СОЕДИНИТЕЛЬН. ЧАСТИ ГИДРАВЛИКА

Схема запчастей Komatsu PC490LC-10 - H8-A СОЛЕНОИДНЫЙ КЛАПАН СОЕДИНИТЕЛЬН. ЧАСТИ ГИДРАВЛИКА
15
24
14
23
21
17
16
18
20
12
22
3
24
11
9
25
19
13
7
8
7
5
4
6
10
1
7
2
30
29
28
33
26
31
27
32
FIT
1:1
100%

Артикул

Название

Примечание

Количество

1

01010-81090

BOLT

2

01643-31032

WASHER

3

20Y-60-A1221

ACCUMULATOR

4

8247-62-1520

TEE

5

02781-00315

UNION

6

02896-11009

O-RING

7

07002-12034

O-RING

8

02782-10312

ELBOW

9

02896-11009

O-RING

10

07002-11423

O-RING

11

02781-0021D

UNION

12

02896-11008

O-RING

13

07002-11423

O-RING

14

208-62-71750

ELBOW

15

02896-11008

O-RING

16

07002-11423

O-RING

17

21W-62-42490

ELBOW

18

02896-11009

O-RING

19

07002-11423

O-RING

20

11Y-62-12130

NIPPLE

21

02896-11008

O-RING

22

07002-11423

O-RING

23

11Y-62-12330

TEE

24

02896-11008

O-RING

25

07002-11423

O-RING

26

02781-00422

UNION

27

02896-11012

O-RING

28

07002-12034

O-RING

29

20Y-62-21940

FILTER ASSEMBLY

30

07002-12034

O-RING

31

02781-0031D

UNION

32

02896-11009

O-RING

33

07002-11423

O-RING

Выбрано товаров: 33