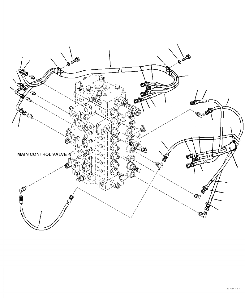
Запчасти Komatsu PC490LC-10 H8-A ПРОПОРЦИОНАЛЬН. PRESSURE УПРАВЛ-Е (PPC) ХОД ТРУБЫ ГИДРАВЛИКА

Схема запчастей Komatsu PC490LC-10 - H8-A ПРОПОРЦИОНАЛЬН. PRESSURE УПРАВЛ-Е (PPC) ХОД ТРУБЫ ГИДРАВЛИКА
20
20
21
1
21
19
5
19
7
2
8
8
2
4
4
12
17
12
3
6
5
7
10
17
3
6
13
11
15
18
13
18
9
14
16
11
15
14
22
16
FIT
1:1
100%

Артикул

Название

Примечание

Количество

1

208-62-41342

HOSE ASSEMBLY

2

208-62-41311

HOSE

3

208-62-41321

HOSE

4

208-62-43250

HOSE

5

208-62-43260

HOSE

6

20Y-62-22820

BAND, BLUE

7

20Y-62-22840

BAND, BLACK

8

20Y-62-22860

BAND, BROWN

9

208-62-41350

HOSE ASSEMBLY

10

08034-20536

BAND

11

208-62-41330

HOSE

12

02740-00206

HOSE

13

02740-00204

HOSE

14

02740-003A5

HOSE

15

20Y-62-22790

BAND, RED

16

20Y-62-22810

BAND, YELLOW

17

20Y-62-22830

BAND, WHITE

18

20Y-62-22850

BAND, GREEN

19

04434-52712

CLIP

20

01010-81225

BOLT

21

01643-31232

WASHER

22

208-62-71670

HOSE

Выбрано товаров: 22