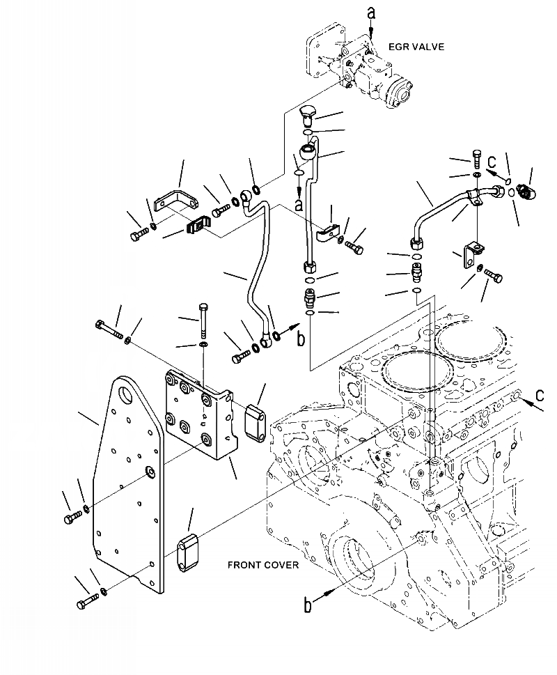
Запчасти Komatsu PC490LC-10 A- ВЫПУСКН. GAS RECIRCULATION (EGR) КЛАПАН EGR КЛАПАН СИСТЕМА СМАЗКИ МАСЛОПРОВОДЯЩАЯ ЛИНИЯ ДВИГАТЕЛЬ

Схема запчастей Komatsu PC490LC-10 - A- ВЫПУСКН. GAS RECIRCULATION (EGR) КЛАПАН EGR КЛАПАН СИСТЕМА СМАЗКИ МАСЛОПРОВОДЯЩАЯ ЛИНИЯ ДВИГАТЕЛЬ
6
5
21
5
14
3
7
27
18
14
16
28
15
9
10
8
12
11
26
22
10
23
20
4
13
17
1
25
33
14
19
24
34
2
14
30
15
31
32
35
37
36
29
38
40
39
FIT
1:1
100%

Артикул

Название

Примечание

Количество

1

02781-0031D

UNION

2

07002-21423

O-RING

3

6252-51-6141

TUBE

4

02896-21009

O-RING

5

02896-21018

O-RING

6

702-16-53240

PLUG

7

6252-51-6170

BRACKET

8

01010-81025

BOLT

9

01643-31032

WASHER

10

6166-75-6821

CLAMP, HALF

11

01010-80840

BOLT

12

01643-30823

WASHER

13

6252-51-6160

TUBE

14

07005-01412

SEAL, WASHER

15

07206-31014

BOLT, JOINT

16

6252-51-9120

TUBE

17

02781-0031D

UNION

18

6251-51-9810

ELBOW

19

07002-21423

O-RING

20

02896-21009

O-RING

21

6251-51-9890

O-RING

22

6251-51-9880

O-RING

23

6252-51-9110

BRACKET

24

01010-81030

BOLT

25

01643-31032

WASHER

26

600-052-3100

CLIP

27

01010-81030

BOLT

28

01643-31032

WASHER

29

6252-61-3820

BRACKET

30

01011-81000

BOLT

31

01643-31032

WASHER

32

6252-21-3130

PLATE

33

01010-81070

BOLT

34

01643-31032

WASHER

35

6252-21-3111

PLATE

36

01010-81030

BOLT

37

01643-31032

WASHER

38

6252-21-3130

PLATE

39

01010-81070

BOLT

40

01643-31032

WASHER

Выбрано товаров: 40