Качественные детали и логистика
Оригинальные и аналоговые запчасти с доставкой по России, Казахстану и Беларуси
©2022 PartSell ООО "Система" ИНН 2463123282 ОГРН 1212400004838
Центральный офис: г. Красноярск, Академика Киренского, д.87, пом.4
Телефон: 8 (800) 777-65-74 Email: zakaz@partsell.ru
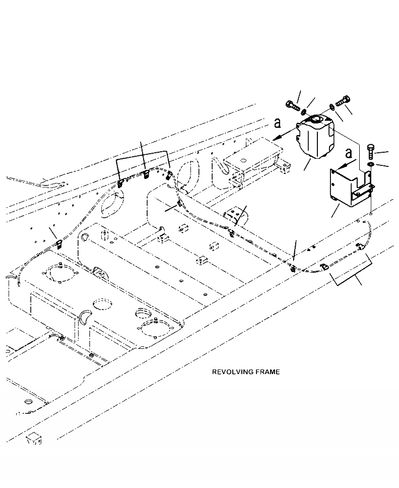
K-A ОМЫВАТЕЛЬ СТЕКЛА
№
Артикул
Название
Примечание
Количество
1
21T-06-11351
TANK ASSEBMLY
2
207-06-71132
BRACKET
3
01010-80616
BOLT
4
209-72-12230
WASHER
5
01010-81225
6
01643-31232
7
21T-38-12270
CLIP
Выбрано товаров: 0