Запчасти Komatsu PC490LC-10 K7-A КОНДИЦ. ВОЗДУХА КОМПРЕССОР КРЕПЛЕНИЕ OPERATORS ОБСТАНОВКА И СИСТЕМА УПРАВЛЕНИЯ

Схема запчастей Komatsu PC490LC-10 - K7-A КОНДИЦ. ВОЗДУХА КОМПРЕССОР КРЕПЛЕНИЕ OPERATORS ОБСТАНОВКА И СИСТЕМА УПРАВЛЕНИЯ
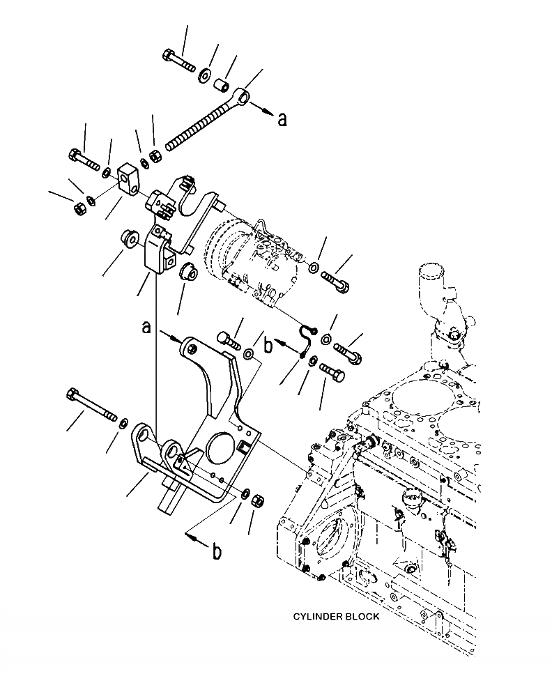
12
13
11
10
14
8
15
9
15
14
7
17
16
3
2
17
21
3
22
16
18
20
19
4
5
1
5
6
FIT
1:1
100%

Артикул

Название

Примечание

Количество

1

208-979-4131

BRACKET

2

208-979-4280

BRACKET

3

208-979-8520

SPACER

4

01011-81440

BOLT

5

01643-31445

WASHER

6

01580-11411

NUT

7

208-979-8461

PLATE

8

01010-81460

BOLT

9

01643-31445

WASHER

10

6240-81-8650

ROD

11

6215-81-6150

PIN

12

01010-81260

BOLT

13

175-54-34170

WASHER

14

01583-11811

NUT

15

01643-31845

WASHER

16

01010-80875

BOLT

17

01643-30823

WASHER

18

208-06-75140

CABLE

19

01010-80816

BOLT

20

01643-30823

WASHER

21

01010-81035

BOLT

22

01643-31032

WASHER

Выбрано товаров: 22