Запчасти Komatsu PC490LC-10 A- РАСПРЕДВАЛ ДВИГАТЕЛЬ

Схема запчастей Komatsu PC490LC-10 - A- РАСПРЕДВАЛ ДВИГАТЕЛЬ
14
14
7
7
8
12
9
6
11
12
10
13
4
1
2
5
3
FIT
1:1
100%

Артикул

Название

Примечание

Количество

|$0

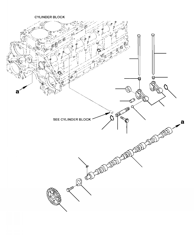
6150-41-1012

CAMSHAFT ASSEMBLY

1

NSS

CAMSHAFT

2

6150-41-1130

PLATE, THRUST

3

6150-41-1120

GEAR, CAMSHAFT

4

04010-00725

KEY, WOODRUFF

5

01010-81022

BOLT

|$6

6150-41-2302

LEVER ASSEMBLY

6

NSS

LEVER

7

NSS

SOCKET

8

NSS

ROLLER

9

NSS

PIN

|$11

6150-41-2401

SHAFT ASSEMBLY

10

NSS

SHAFT

11

6150-81-8420

BALL

12

04064-02012

RING, SNAP

13

6150-41-2450

BOLT

14

6150-41-3111

ROD, PUSH

Выбрано товаров: 17