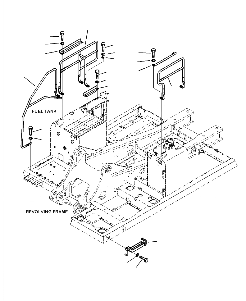
Запчасти Komatsu PC490LC-10 M-A HANDRAIL ЧАСТИ КОРПУСА И КРЫШКИ

Схема запчастей Komatsu PC490LC-10 - M-A HANDRAIL ЧАСТИ КОРПУСА И КРЫШКИ
4
6
6
7
7
14
5
8
15
10
13
1
11
9
12
4
2
3
9
16
18
17
FIT
1:1
100%

Артикул

Название

Примечание

Количество

1

2A5-54-11241

HANDRAIL

2

01010-81240

BOLT

3

01643-31232

WASHER

4

208-54-41823

HANDRAIL

5

208-54-43120

PLATE

6

01010-81245

BOLT

7

01643-31232

WASHER

8

207-54-43851

PLATE

9

208-54-41380

PLATE

10

01010-81240

BOLT

11

01643-31232

WASHER

12

208-54-41833

HANDRAIL

13

208-54-43130

PLATE

14

01010-81245

BOLT

15

01643-31232

WASHER

16

208-54-43140

STEP

17

01010-81225

BOLT

18

01643-31232

WASHER

Выбрано товаров: 0